online kép - Fájl  tubefájl feltöltés file feltöltés - adja hozzá a fájlokat onlinefedezze fel a legújabb online dokumentumokKapcsolat
  
 

Letöltheto dokumentumok, programok, törvények, tervezetek, javaslatok, egyéb hasznos információk, receptek - Fájl kiterjesztések - fajltube.com

Online dokumentumok - kep
  

VÁLTÓÁRAMÚ (AC) ÁRAMKÖRÖK

fizikai



felso sarok

egyéb tételek

jobb felso sarok
 
Magneses jelenségek
FELÜLETI FESZÜLTSÉG
A TERMÉSZETTUDOMÁNY ORFFYREUS KORÁBAN
COLORADO - VILLÁMOK KÖZÖTT
A TUDOMÁNY MINT HAGYOMÁNY
AZ ELSŐ LÉPÉSEK
A Maxwell-egyenletrendszer
VÁKUUMENERGIA
ORFFYREUS TÖRTÉNETE
VÁLTÓÁRAMÚ (AC) ÁRAMKÖRÖK
 
bal also sarok   jobb also sarok

Váltóáramú (AC) áramkörök




Olyan áramkörök, amelyeknél U(t) általában nem követi I(t) függvényt 

Példa: kondenzátoron (szigetelő vezetők között) áthaladó áram I = dQ/dt = C*dU/dt; azaz I nem U-val, hanem annak deriváltjával arányos.

A kondenzátor, mint áramköri elem, csak időtől függő feszültségek esetén "működik".



Impedancia, átviteli függvény

A "legegyszerűbb" váltakozó feszültség szinuszos időfüggésű:

U(t)=Uo sin(wt+q); [amplitudó, körfrekvencia, (w 2pf), fázis (radián egységben)].

Példa: a hálózati feszültség [Ueff=230 V, f=50 Hz], U = Uo sin(2p *50t) ahol Uo = Ueff

= 325 V* sin(2p *50t) .

Komplex formalizmus: exp(jq)= cos(q) + j*sin (q) ahol j = -1 az imaginárius egység;

U(t) = Uo cos(wt) komplex formalizmussal U(t) = Uo exp(jwt)

Impedancia definíciója:

Általánosságban, egy lineáris elemen U(t) = Uo*sin(wt) feszültség hatására I(t) = Iosin(wt+f) áram halad át; a két mennyiség viszonyát az áramköri elem impedanciája fejezi ki.

A lineáris áramköri elemet az Uo/Io amplitudóarány és a f fázis­különbség jellemzi, mert
Z
º [Uo exp(jwt)] / [Io exp(j(wt + f)]) = [Uo / Io]* exp(-jf [Uo / Io] * (cos (f) - j sin(f

Az impedancia: frekvenciafüggvény; ábrázolása Bode ill. Nyquist diagramon

Bode diagram: log Zabs és f, log(f) függvényében ln(Z(w))=ln(Z*exp(if))=ln(Zabs(w))+jf w

Nyquist diagram: (komplex síkon): Im(Z(w)) Re(Z(w)) függvényében;


Két (feszültségfüggő) ellenállásból és egy kondenzátorból álló hálózat impedancia­diagramja komplex (Nyquist, felül) illetve Bode reprezentációban (jobbra).


Impedancia szerepe: az áramkörszámítási szabályokat impedanciákra lehet alkalmazni:

Ellenállás impedanciája: f = 0, ZR =R = Uo / Io;

Kondenzátor impedanciája: f p/2 (áram siet), ZC = 1 / jwC

I = C*dU/dt, tehát, ha U(t)=Uo sin(wt), akkor I = C w Uo sin(wt +p

Tekercs impedanciája: f p/2 (feszültség siet), ZL = jwL

soros kapcsolásra: Z = Z1 + Z2,

párhuzamos kapcsolásra: 1/Z = 1/Z1 + 1/Z2.

Impedancia ismeretében tetszés szerinti RLC hálózatra meg tudjuk mondani, hogy egy adott frekvenciát átvisz-e (adott AC feszültség hatására mekkora áram halad át rajta).


Az áramkörön áthaladó áramot az alábbi meggondolásokkal számíthatjuk ki:

Szinuszos U amplitudójú feszültség hatására áthaladó szinuszos áram komplex amlitudója

Ha az áramkörön nem szinuszos, de (w0 alap­harmo­nikusu) periodikus feszültség halad át, akkor az w=kw0 frekvenciáju felharmonikusok bármelyikére az előző egyenlet.

A periodikus U(t) és I(t) és a megfelelő és komplex amplitudók között a Fourier-transzformáció teremt kapcsolatot. Ugyanis a periodikus, w0 alapharmonikusú f(t) időfüggvény előállítható Fourier-sorként:
. Az komplex amplitudók, azaz az amplitudók ill fázisok az f(t) függvényből Fourier-transzformációval határozhatók meg. A Fporier-transzformációval tehát időfüggvényből állítunk elő frekvenciafüggvényt (spektrumot).Ez az össze­függés két szempontból hasznos:

a. egy lineáris, passzív áramkör impedanciáját meghatározhatjuk aként, hogy valamely periodikus U(t) feszültséget alkalmazva megmérjük az I(t) áramerősséget; mindkét időfüggvényt Fourier-transzformáljuk, azaz meghatározzuk az egyes
w frekvenciákhoz tartozó és komplex amplitudókat; ezek hányadosa a Z(w) impedancia.

b. Ha ismerjük a Z(
w) impedanciát, akkor ki tudjuk számítani, milyen I(t) áramerősség fog áthaladni az ismert U(t) periodikus feszültség hatására: Konkrétan, hatására lesz az áramerősség.
Ez utóbbi szummázást (vagyis amikor a frekvenciafüggvényből (spektrumból) állítunk elő időfüggvényt) inverz Fourier-transzformációnak nevezzük.

Megemlítendő, hogy ha az U(t) vagy a I(t) függvény nem periodikus (pl. ugrásfüggvény) akkor is ki­számítható az impedanciafüggvény ismeretében I(t) U(t)-ből, vagy fordítva, a Laplace transzformáció alkalmazásával.


Az impedancia általánosítása az átviteli függvény, amely valamely négypólus kimenete és bemenete közötti viszonyt fejezi - tipikusan Uki/Ube w (vagy f=w p) függvényében.

Az átviteli függvény jellegzetes egysége az erősítés, A, logaritmikus egysége a dB. A*[dB]=20*lg(Uki/Ube). Tipikus ábrázolása A (f) és f(f).

Az elektromos rendszereket tehát az alábbi függvényekkel lehet jellemezni:

Lineáris rendszerek:

Kétpólus: impedancia (admittancia): frekvencia (f) függvény; ábrázolása Bode, Nyquist

Négypólus: bemenet - kimenet - átviteli függvény (Uki/Ube f függvényében).

Nemlineáris rendszerek: áram-feszültség-karakterisztika az időtől független, sztatikus nemlineáris tulajdonságok jellemzésére.


Műveleti erősítők AC áramkörökben


Integráló erősítő:


A C kapacitású kondenzátor feszültsége és a rajta áthaladó I áram között az I=C*dU/dt összefüggés áll fenn; a műveleti erősítőre vonatkozó szabályok értelmében

I = (Ube - 0) / R = C * d(0 - Uki)/dt, ahonnan

Uki = - (1/RC) òUbedt


Aluláteresztő szűrő I.:


RC aluláteresztő szűrő feszültségkövetővel.

Átviteli függvénye: Uki/Ube = 1/[1+jwRC]


Az aluláteresztő (felülvágó ) szűrők funkciója zajszűrés, átlagolás.


Aluláteresztő szűrő II.:


Invertáló aluláteresztő szűrő.


Átviteli függvénye:

A=Uki/Ube = -R2/R1/[1+jwR1C1]


Differenciáló erősítő


A C kapacitású kondenzátor feszültsége és a rajta áthaladó I áram között az I=C*dU/dt összefüggés áll fenn; a műveleti erősítőre vonatkozó szabályok értelmében

I = (Uki - 0) / R = C * d(0 - Ube)/dt, ahonnan

Uki = - (1/RC) * dUbe/dt


Felüláteresztő szűrő I.:



RC felüláteresztő szűrő feszültségkövetővel.

Átviteli függvénye:

Uki/Ube = jwRC /[1+ jwRC]


A felüláteresztő (alulvágó ) szűrők funkciója a DC szint illetve a lassú "csúszások" levágása.


Felüláteresztő szűrő II.:



Invertáló felüláteresztő szűrő.

Átviteli függvénye

A=Uki/Ube = -jwR2C1[1+jwR1C]



Különböző időállandójú, elsőfokú aluláteresztő szűrők hatása 1 Hz-es négyszögjelre. A szűrők időállandója 0,  11 ms, 58 ms, 120 ms ill. 0.5 s.



Magasabb rendű szűrők


Megmutatható, hogy minden aluláteresztő szűrőkarakterisztika felírható az

alakban. A nevezőben lévő polinom jellege, a ki együtthatók értéke szerint különböző szűrőtípusokat készít­hetünk, melyek közül a nevezetesebbek:

Butterworth, Csebisev: meredek levágás, de túllövéses négyszögjel-válasz.

Bessel-szűrők: ideális négyszögjelátvitel

Realizálásuk: első és másodfoku szűrők sorbakapcsolásával.


Példa:

Tizedfoku 0.5 dB ingadozású Csebisev-szűrő átvitelének frekvenciamenete, valamint az öt alaptag karakterisztikája.



Egyéb szűrőfajták: sávszűrők (sáváteresztők és sávkizárók).



Műveleti erősítő sávszélessége és visszacsatolt erősítése közötti összefüggés


Feszültségforrások

Vezérelhető feszültség- és áramforrások

 

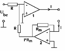
Invertáló erősítő , mint feszültségforrás, áram­mérővel

 

Módosítás: áramerősség szabályozáshoz

Potenciosztát


Az elektrokémiai cellában három elektród van, a w jelű munkaelektród,a ref jelű referencia­elektród, és a c jelű ellen­elekt­ród. Az 1. jelű műveleti erősítő (a c és w elektródok között) mindig akkora áramot folyat át a cellán, hogy a referencia­elekt­ródon a földhöz (azaz a w-hez képest) kialakuló potenciálja, Uref,w =-Uprog legyen. Így tehát a potenciált az Uprog -gal állít­hatjuk be, ezt a 2. erősítő kimenetén vissza is mérhetjük. A 3. erősítő kimenetén megjelenő feszültség pedig a cellán átfolyó áramerősséggel arányos.






Általános célú elektromos mérőműszer, négy kontaktussal: Az 1. erősítő a CI (current input) kontaktusokon keresztül  mindig akkora áramot folyat át a cellán, hogy a potenciálmérő S (sensing) bemenetek közötti feszültségkülönbség Us1,s2=-Uprog legyen. A KKE egy különbségképző, pl. egy műszer­erősítő.


AC feszültségforrások

oszcillátor - függvénygenerátor (jelalak, amplitudó, offset, frekvencia)

VCO bemenet - burst

arbitrary generator

digitális oszcillátor: astabil multivibrátor

kvarcoszcillátor - óra, mikromérleg (párologtatás, tömegnövekedés)


Találat: 3272


Felhasználási feltételek