| kategória | ||||||||||
|
|
||||||||||
|
|
||
PÉLDÁK PLC ALAPÚ IPARI AUTOMATIZÁLÁSRA
A jellegzetes ipari vezérlések ismertetésénél a példák jelentős része a gépipari alkalmazások
köréből került kiválasztásra, ahol a pneumatikus beavatkozás jellemző.
Kiválasztáskor a következő szempontokat vettük figyelembe:
− a példák bemutatása a rutinvezérlésekkel kezdődik, amelyek ismeretében a bonyo-
lultabb vezérlések részben felépíthetők;
− a rutinvezérléseknél a hagyományos pneumatikus analógiát is bemutatjuk a szemlé-
letbővítés és a huzalozott pneumatikus vezérlésről a PLC-s vezérlésre történő áttervezés meg-
könnyítéséhez,
− a programok megvalósításához a 3. fejezetben megismert, de kevés utasítással ren-
delkező PLC-t választottunk a könnyebb megértéshez.
6.1. Gépipari automatizálási mintapéldák
A gépiparban előforduló különféle automatizálási feladatok a következő csoportokra osztha-
tók:
− tisztán kétállapotú vezérlések villamos, ill. pneumatikus kimenetekkel (pl. logiszti-
kai, mechatronikai stb. alkalmazások);
vezérlés és pozícionálás jellegű helyzet- és sebességszabályozással kombinált
feladatok igényes ember-gép kapcsolattal (pl. CNC, CAM, robottechnika);
rugalmas gyártórendszerekben (FMS) többszintű informatikai hálózattal kombinált
vezérlési és szabályozási feladatok;
− a vállalati információs rendszerrel kombinált, számítógéppel integrált gyártórendsze-
rek (CIM) irányítása.
A első feladatot részletesen, a többit rendszertechnikai szinten tárgyaljuk.
6.1.1. Pneumatikus vezérlések
A pneumatikus, hidraulikus rendszereknek a gépiparban kiemelt jelentőségük van. A pneuma-
tikus rendszerekben az információt hordozó közeg a sűrített levegő, amelynek nyomása vagy
áramlása az információ. Pneumatikus elemeket főként a gépiparban alkalmaznak, ahol a ki-
menőjelet egyenes vonalú mozgással kifejtett erőátvitelre használják. Másik alkalmazási terü-
let a vegyi és rokon iparágak, a tűz- és robbanásveszélyes terek automatizálásával. Napjaink-
ban a gyújtószikramentes villamos eszközök elterjedésével az utóbbi területen a jelentőségük
csökken, ezért csak a gépiparban elterjedt útszelepekkel foglalkozunk.
A nagynyomású pneumatikus rendszerek két jellegzetes elemtípusból épülnek fel: út-
szelepekből és munkahengerekből. Egyenes vonalú mozgások létrehozására a legegyszerűbb
végrehajtó szerv a munkahenger. A munkahengerek lehetnek egy-, ill. kétoldali működtetésű-
ek. Az egyoldali működtetésű munkahenger visszatérítését rendszerint rugóerő végzi (6.1.
ábra).

6.1. ábra. Munkahengerek működtetése
A munkahengereket útszelepekkel működtetik. Az útszelepek a sűrített levegő áramlá-
sának irányát határozzák meg. A fő áramlási irányok: a táplevegő-hálózatból a felhasználási
hely felé, valamint a felhasználási helytől az atmoszférába. Az útszelepeket a kapcsolási hely-
zetek száma, a csatlakozóik száma és működtetési módjuk alapján különböztetik meg.
Leggyakoribbak a kétállású útszelepek. Az útszelepek jelölésére a CETOP (Európai
Olajhidraulika és Pneumatika Bizottság) jelölése terjedt el, de még mindig van, pl. MECMAN
jelölés is. A CETOP szimbólum a szelepek működését és funkcióját szemlélteti. A szelep
minden működési állapotát egy-egy négyzetnek (téglalapnak) rajzoljuk és bejelöljük az áram-
lás irányát. E szerint egy kétállású szelep kettő, a háromállású szelep szimbóluma három
négyzetből áll. Ha működtetőszervet működtetünk, mindig azt a kapcsolási helyzetet kapjuk,
amelyet a vezérlőszerv ábrája melletti négyzetben tüntettünk fel. A csatlakozónyílások elhe-
lyezésének nem kell megegyeznie azok valóságos helyzetével.
Csatlakozások számozása
1 − beömlés (csatlakozás a sűrítettlevegő-hálózatba);
2 − kiömlés, kivezetés a fogyasztóhoz (pl. munkahengerhez);
3 − a 2-es kivezetéshez tartozó kipufogás;
4 − kiömlés, kivezetés a fogyasztóhoz (pl. munkahengerhez);
5 − a 4-es kivezetéshez tartozó kipufogás;
− vezérlőlevegő-csatlakozás, amely zárja a normál helyzetben nyitott szelepet
kétutas szelepeknél;
12 − vezérlőlevegő-csatlakozás, amely az 1-2 utat nyitja;
14 − vezérlőlevegő-csatlakozás, amely az 1-4 utat nyitja.
A háromutas szelepek működését és CETOP jelölését szemléltetjük a 6.2. ábrán.



6.2. ábra. A háromutas szelepek működése és CETOP jelölése
A szelepek egy csoportja kitüntetett alaphelyzetű (ezt a rugó jelképe mutatja). A
működtetőjel megszűnte után a szelepek automatikusan az alaphelyzetbe állnak. Aszerint,
hogy a táplevegőt a szelep ebben a helyzetben tovább engedi vagy elzárja, megkülönbözte-
tünk alaphelyzetben nyitott, ill. alaphelyzetben zárt kapcsolási módokat. Az impulzusvezérlé-
sű szelepeknek nincs alaphelyzete, a szelep helyzetét a legutóbbi működtetés határozza meg.
A 6.3. ábrán a leggyakoribb szelepek CETOP jelképe látható, ahol a reteszelőszelepeket is
feltüntettük. Ebbe a csoportba a visszacsapó, váltó-, kétjel-működtetésű és a gyorslégtelenítő
szelepek tartoznak.
A 6.3. ábra. A leggyakoribb szelepek CETOP jelképe



A visszacsapó szelepek az egyik irányban szabad áramlást biztosítanak, míg a másik irányú
áramlást megakadályozzák. A váltószelepek (kettős visszacsapó szelepek) a logikai VAGY, a
kétjel-működtetésű szelepek az ÉS kapcsolatot valósítják meg. A gyors légtelenítőszelep a
levegő áramlásának irányától függően az 1-2 áramlási irányt biztosítja, ill. ellenkező levegő-
áramlás esetén megnyitja a 2-3 áramlási irányt, így a 2 csatlakozóról a levegő a 3 csatlakozón
át közvetlenül a szabadba távozik. Ezzel a szeleppel a munkahengerek dugattyúsebességét
növelhetjük azáltal, hogy a kipufogóhenger-kamra gyors leürítését biztosítja a szelep. Az út-
szelepek átkapcsolása, azaz a sűrített levegő áramlási irányának kiválasztása a szelep működ-
tetésével történik. A különböző működtetési módokat és jelképeiket a 6.4. ábrán láthatjuk.
6.4. ábra. A különböző működtetési módok és jelképeik
Az útszelepek az érintkezőkhöz hasonlóan sorba, ill. párhuzamosan kapcsolhatók.
Párhuzamos kapcsolás esetén a kimeneten váltószelepet kell beiktatni a káros kipufogás elke-
rülésére, amely a szelepek ellentétes állapotában léphet fel. Az egyes kapcsolások lehetnek
aktívak és passzívak attól függően, hogy a kimenőjelet bevezetett változó (passzív) vagy a
tápnyomás (aktív) hozza létre. A NEM kapcsolatot alaphelyzetben nyitott, a jelmásolást alap-
helyzetben zárt szeleppel valósíthatjuk meg (6.5. ábra).
6.5. ábra. Jelfordító és jelmásoló
A 6.6. ábra kétféle passzív és egy aktív ÉS kapcsolást mutat, amelyet két jelmásoló so-
ros kapcsolásával valósíthatunk meg a c) ábra szerint. Kétféle passzív (a) és két aktív (b, c)
VAGY kapcsolás látható a 6.7. ábrán.





A b) ábra szerinti kapcsolásban váltószelep nélkül A = 0, B = 1 esetén (és fordítva) a
táplevegő az alaphelyzetben nyitott szelepen a szabadba távozna.
6.6. ábra. Kétféle passzív (a, b) és egy aktív (c) ÉS kapcsolás
6.7. ábra. Kétféle passzív (a) és két aktív (b, c) VAGY kapcsolás
Hasonló a NAND, ill. NOR kapcsolat is a De Morgan-szabályok alkalmazásával (6.8.
ábra).
6.8. ábra. NAND, ill. NOR kapcsolat útszelepekkel
6.1.2. Pneumatikus rutinvezérlések
A PLC, a villamos bemenetek és a pneumatikus végrehajtó szervek működtetését szemlélteti a
6.9. ábra. A bemeneti eszközök rendszerint mechanikus kapcsolatban vannak a munkahenge-
rekkel, például végálláskapcsolóként a henger által működtetve. A PLC be- és kimenetei egy-



aránt villamos jellegűek, mivel a szelepek elektromágneses működtetésűek és a
végálláskapcsolók villamos jelet szolgáltatnak.
6.9. ábra. PLC illesztése a pneumatikus rendszerbe
A 6.10. ábrán a jelmásoló (alaphelyzetben zárt) kapcsolásának PLC-s megfelelőit (a),
valamint a jelfordító (alaphelyzetben nyitott) kapcsolás utasításlistáját és létradiagramját ad-
tuk meg (b).
6.10. ábra. Jelmásoló (a) és jelfordító (b) megvalósítása
A membrános elemmel létrehozott ÉS kapcsolat (a), ill. az INHIBÍCIÓ (b) változatai a
6.11. ábrán láthatók.



6.11. ábra. ÉS (a) ill. INHIBÍCIÓ (b) változatai
A VAGY kapcsolat (váltószelep) és a NOR funkció változatait a 6.12. ábra szemlélteti.
6.12. ábra. VAGY (a), ill. NOR (b) változatai
Az ANTIVALENCIA (EXOR) függvény (a), valamint a NAND (b) pneumatikus és
PLC-s változatait a 6.13. ábrán láthatók.



6.13. ábra. EXOR (a), ill. NAND (b) változatai
A 6.14. ábrán egyszerű ekvivalenciák láthatók.



6.14. ábra. Ekvivalenciák változatai
SR FF és monoflop megoldásokat szemléltet a 6.15. ábra csak ponált kimenetekkel (a),
ill. komplemens kimenetekkel (b).
6.15. ábra. SR FF és monoflop megoldások
Beírásra (a), ill. törlésre elsőbbséget biztosító (b) pneumatikus SR FF megoldás vál-
tozatait szemlélteti a 6.16. ábra. A beírási elsőbbség úgy biztosítható, hogy a RESET ágban
szerepel a beírási feltétel negáltja. Így a beírási feltétel teljesülésekor a törlés inhibitálódik. A
törlési elsőbbség úgy (is) biztosítható, ha időben a RESET feltétel követi a SET feltételt, így
ez lesz domináns. A következőkben néhány ábrán az utasításlistás program könnyebb megér-
téséhez egy-egy lehetséges memória-címtartományt is hozzárendelünk.
6.16. ábra. Beírásra (a), ill. törlésre (b) elsőbbséget biztosító SR FF



A példákban a KEEP funkció az adott PLC-ben az SR FF megvalósítását jelenti. Táp-
feszültség- (tápnyomás-) figyelő pneumatikus kapcsolás és programja látható a 6.17. ábrán. A
kapcsolás tápfeszültség- (tápnyomás-) kimaradás után nem veszi fel automatikusan a hiba
előtti állapotát [2].
6.17. ábra. Táplálási hibafigyelő megoldások
Bekapcsolási késleltetés előállítási változatai láthatók a 6.18. ábrán. A pneumatikus
kapcsolás alaphelyzetben zárt szeleppel, fojtással és puffertartállyal van megoldva [2].
6.18. ábra. Bekapcsolási késleltetés megoldásai
Kétkezes biztonsági vezérlés változatai láthatók a 6.19. ábrán. A biztonsági jelző arra
utal, hogy a START jel csak akkor kerül kiadásra, ha a két nyomógomb lenyomása 0,3 mp-en
belül van. Bármelyik kéz elengedésekor azonnal a STOP hatás érvényesül. Így megakadá-
lyozható az indító szelepkarok kitámasztásával történő gépindítás. A kapcsolás alkalmazását a
balesetveszélyes területeken szabvány írja elő.

6.19. ábra. Kétkezes biztonsági vezérlés megoldásváltozatai
A sorrendi folyamatábra (SFC) egy elemének pneumatikus és programbeli megfelelője
látható a 6.20. ábrán. Eszerint a HR 004 lépés létrejöttének feltétele a HR 003 & 006, míg a
HR 004 törlését a HR 005 teljesülése végzi [2].



6.20. ábra. Az SFC egy eleme
Az SFC pneumatikus kapcsolás és a PLC program megértését célozza a 6.21. ábra. Az
ábra jól használható a pneumatikus vezérlések PLC-program írásához.
6.21. ábra. SFC három elemének kapcsolatrendszere és megoldásai
A pneumatikus vezérléseket rendszerint munkadiagramon adják meg. Egy feladat
megoldását a munkadiagram megrajzolásával kezdjük. Példaként a munkadarab-befogás és
fúrósüllyesztés vezérlését mutatjuk be két munkahenger segítségével (6.22. ábra). Az A mun-
kahenger a befogást, a B munkahenger a fúró süllyesztését végzi. A b ábrán a feladatot meg-
valósító elektrohidraulikus kapcsolást, az a ábrán a munkadiagramot rajzoltuk meg. A hidrau-
likus jellegre utal, hogy a hengerek működtetésénél a szivattyút és az olajtartályt is feltüntet-
tük és a visszafolyás nem a légtérbe, hanem a visszafolyó ágon át a tartályba történik. A mun-
kadiagramon feltüntetjük a bemeneti változókat és a változásokat létrehozó kimeneteket.
Az egyes állapotokat kiváltó bemeneti jelkombinációk
1. állapot: 502 = 001 & 003,
2. állapot: 504 = 002 & 003,
3. állapot: 503 = 002 & 004,
4. állapot: 501 = 002 & 003.
Mivel a 002 & 003 kombináció más-más kimeneti eseményt (504, ill. 501) hoz létre,
ezért a feladat sorrendi jellegű. A létradiagramos, ill. utasításlistás megoldást a 6.22. ábra mu-
tatja.

6.22. ábra. A befogás és fúrósüllyesztés változatai
Igen gyakori feladat az egyes munkafázisok ismétlése. Erre példa a 6.23. ábra, ame-
lyen a B henger kétszer normál és egyszer időben nyújtott munkafázist hajt végre [2].

6.23. ábra. Ismételt munkafázis kapcsolása és programozása
A munkadiagram szerint hét belső állapotot kell megkülönböztetni, így a feladat 7 SR
FF (vagy tartó áramkör) felhasználásával oldható meg a 6.24. ábra szerint [2].

6.24. ábra. A 6.23. ábra szerinti munkadiagram PLC-programja
A következőkben a pneumatikus vezérlésekben használt három rutinmegoldást és
PLC-s változatát mutatjuk be.
1. A "vészstop" (emergency stop) alapkapcsolását és programját láthatjuk a 6.25. áb-
rán. A kapcsolás két kézi működtetésű, háromutas, rugó-visszatérítésű impulzusszelepet

(STOP, RESET) és egy kétállapotú ötutas szelepet igényel. A kapcsolás a RESET aktiválása-
kor (012) alaphelyzetbe kerül és a táplevegőt kijuttatja. STOP-jel hatására a táplevegő lekap-
csolódik és a kimenetre a vészstop jel jut ki [2].
6.25. ábra. STOP-RESET vészlekapcsolás és programozása
2. A START funkcióval bővített vészstop megoldás szerint a táplevegő aktiválása csak
a RESET működtetése után a START-gomb aktiválásával lehetséges (6.26. ábra) [2]. A STOP
működtetésének hatására a táplevegő-ellátás megszűnik.

6.26. ábra. STOP-RESET-START kapcsolás és programozása
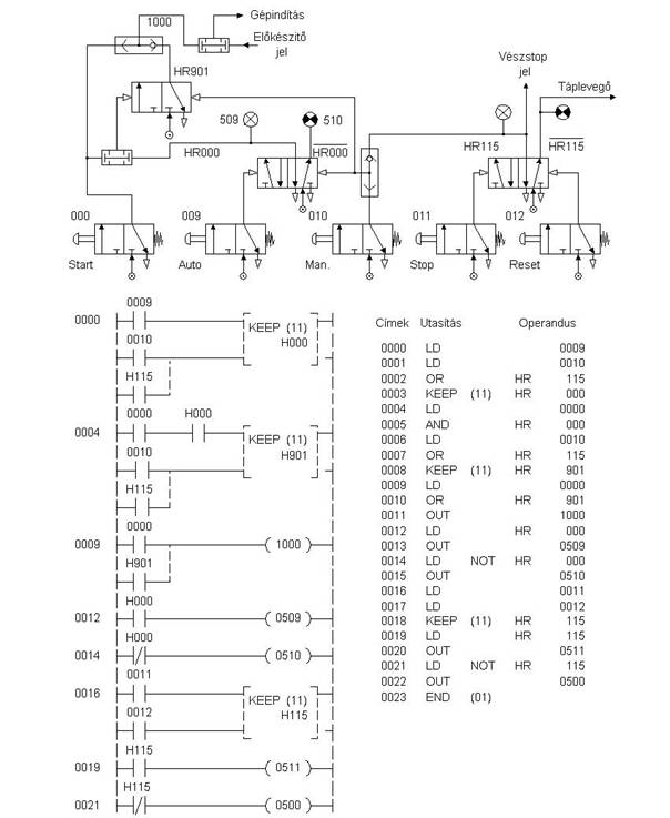
3. Egy KÉZI-AUTOMATIKUS üzemmódkapcsolóval kombinált vészstop megoldását és
programozását mutatja be a 6.27. ábra [2]. A kapcsolásban három ötutas memóriaszelep talál-
ható és a programban is három tartórelé (KEEP) van.
Gyakran van szükség a kimenő startjel szétválasztására gépi START és kézi START
formájában. A vészleállítást itt is a táplevegő lekapcsolásával oldják meg.

6.27. ábra. STOP-RESET-START kapcsolás KÉZI/AUT üzemmód választásával
6.1.3. Átrakási műveletek vezérlése
A gépipari vezérlési példák bemutatását egy emelés-szorítás-továbbítás-elengedés műveletek-
ből álló átrakó vezérlésével zárjuk. Az átrakási műveletet végző robotfej vezérlését szemlélte-
ti a 6.28. ábra [3]. A technológiai művelet célja a munkadarab átrakása a bal oldali asztalról a
jobb oldali asztalra. A mozgatást három munkahenger végzi a következő tekercs hozzárende-
lésekkel.

Emelés:
Y432
Jobbra mozgatás:
Y433
Süllyesztés: Y430
Balra mozgatás:
Y434
Helyzetérzékelők
Szorítás/elengedés: Y431
X400
X401
X402
X403
X404
START indító nyomógomb
Alsó véghelyzetkapcsoló
Felső véghelyzetkapcsoló
Jobb oldali véghelyzetkapcsoló
Bal oldali véghelyzetkapcsoló
Alaphelyzet: X402 és X404.
A művelet rövid leírása
1. Startgomb hatására (X400) az Y430 aktiválása révén az alsó helyzetbe kerül (X401).
2. A munkadarab-befogó szerkezet Y431 működik. A befogás 1,7 s-ig tart.
3. A megfogás után a kar a munkadarabot felemeli X402-ig.
4. A kar jobbra mozog X403-ig.
5. A munkadarab leeresztése a jobb oldali munkaasztalra (X401).
6. A munkadarab elengedése (1,5 s).
7. A kar felemelkedik (X402).
8. A kar visszatér az alaphelyzetbe (X404).
6.28. ábra. Emelő, átrakó robotfej vezérlési sémája
A vezérlőberendezés négyféle üzemmódot biztosít. Az első három üzemmód a beüze-
meléshez szükséges. A vezérlőberendezés kezelői panelje a 6.29. ábrán látható [3]

Egy művelet üzemmódban (Single operation) a gép egy átrakási műveletrészt hajt vég-
re. A végrehajtott műveleteket a Funkcióválasztás kapcsoló jelöli ki.
Egy lépés üzemmódban (Single step) a START-gomb hatására egy lépés hajtódik vég-
re. Például az alaphelyzetből a kar leereszkedik a bal asztalra.
Egy ciklus üzemmódban (One cycle operation) egy komplett ciklus hajtódik végre:
alaphelyzetből indul és alaphelyzetbe tér vissza.
Folyamatos üzem (Continuous operation) üzemmódban a START-gomb hatására az
alaphelyzetből kiindulva a kar ismételten végre hajtja a komplett átrakási ciklust. A STOP-
gomb hatására a kar alaphelyzetbe tér vissza és leáll.
6.29. ábra. A vezérlőberendezés kezelői panelje
A feladat be-/kimeneteinek kiosztása a 6.30. ábra szerinti. Az üzemmódokat bemutató
ábrák a [3] alapján készültek.

6.30. ábra. A kiinduló feladat be-/kimeneteinek kiosztása
A feladat jó példa a funkcióváltások bemutatására, amely feltételes ugrás lévén lehet-
séges. A program egyszerűsített létradiagramja a 6.31. ábrán található. Az egyes ágak funkci-
ói az ábra magyarázata alapján követhetők.

6.31. ábra. A kiinduló feladat vezérlésének létradiagramja
Az Egy művelet funkciót a 6.32. ábrán található létradiagram valósítja meg.

6.32. ábra. Az Egy művelet funkció létradiagramja
Az automatikus működés folyamatábrája a 6.33. ábrán látható.

6.33. ábra. Az automatikus működés folyamatábrája
A 6.34. ábrán a folyamatos üzem létradiagramja látható STL funkciókkal.

6.34. ábra. A folyamatos üzem létradiagramja STL funkciókkal



6.2. PLC-k a rugalmas gyártórendszerekben
A PLC-ket a gépipari automatizálásban egyrészt az egyedi vezérlések megoldására, másrészt
gépcsoportok vezérlésére használják. A következőkben a gépcsoportokat vezérlő alkalmazást
mutatjuk be, ahol az egyik legfontosabb művelet az egyes részműveletek ütemezése. Leggyak-
rabban használt gépcsoportok a rugalmas gyártócella, ill. a rugalmas gyártórendszer.
Rugalmas gyártócella (FMC) a legegyszerűbb és ezért a legrugalmasabb autonóm
gyártóegység, amely egy CNC szerszámgépből, automatizált anyagkezelő berendezésből (pl.
robot) és input-output puffertárolókból tevődik össze.
Rugalmas gyártórendszer (FMS) olyan real-time irányítású rendszer, amely általános
célú szerszámgépekből vagy ilyeneket tartalmazó gyártócellákból áll. A rendszerben kis soro-
zatban gyártandó munkadaraboknak számos különböző technológiai utat kell megtenniük a
készre gyártásig. A rendszer az anyagmozgató és -szállító berendezések változatos fajtáival
lehet felszerelve. Jellemzője a gyártási folyamat- és termékflexibilitás, aminek következtében
könnyen és automatikusan áthidalja a gépmeghibásodásokat.
Egy tipikus rugalmas gyártócella vázlata látható a 6.35. ábrán.
6.35. ábra. Egy rugalmas gyártócella elemei
A rendszer cellavezérlő számítógépen keresztül kapcsolódik az üzemi hálózathoz. Egy
gyártócella informatikai hálózatának felépítését szemlélteti a 6.36. ábra, amelyen látható a
PLC-k elhelyezkedése és funkciója az informatikai rendszerben.

zálása;
6.36. ábra. Gyártócella informatikai hálózatának felépítése
A PLC szerepe a rugalmas gyártórendszerben:
− az egyes automatizált alegységek működésének ütemezése (sceduling) és szinkroni-
− egyes folyamatok konkrét automatizálása (pl. konvejorrendszer);
− a gyártási folyamat felügyelete, gépek, berendezések állapotfelügyelete;
− állandó információszolgáltatás a gyártási folyamatról a cellavezérlő számítógép felé.
6.3. Számítógéppel integrált gyártás (CIM)
A CIM a mai modern szemléletben olyan számítógépes koncepció, módszer- és eljárás-
gyűjtemény, amely alkalmas a tágabban értelmezett termelésmenedzsment-funkciórendszer
informatikai támogatására, szervezeti, funkcionális és információs integrálására. A CIM több-
szintű informatikai rendszere a 6.37. ábrán látható [6].
6.37. ábra. A CIM többszintű informatikai rendszere
A rendszer csúcsán a vezetési információs rendszer áll (6. szint: Management
Information System). Megfigyelhető, hogy a CIM-ben valamennyi automatizálási, informati-
kai ismeret integrált formában megjelenik.
A PLC-k CIM-en belüli szerepét szemlélteti a 6.38. ábra. A PLC egyrészt tartja a kap-
csolatot a folyamattal közvetlenül vagy terepi hálózaton, másrészt kommunikál a fölötte lévő
számítógéppel. Ez a kommunikáció kétirányú: jelentéseket küld a folyamat állapotáról, ill.
parancsokat és adatokat fogad.
A PLC-k szerepe a CIM-ben
− a konkrét gyártási, tárolási folyamat irányítása, a folyamatok ütemezésének biztosí-
tása;
− információszolgáltatás felfelé a termelési folyamat pillanatnyi állapotáról;



− hiba-, ill. státusinformációk küldése felfelé archiválás és adatbázis-frissítés céljából;
− a gyártással kapcsolatos információk, parancsok fogadása fentről;
− a felső szintről jövő információ alapján az irányítási algoritmusok közötti választás,
komplett program letöltése.
6.38. ábra. PLC szerepe a CIM-ben
6.4. Vegyipari keverési folyamat automatizálása
A 6.39. ábrán négy tartályból álló polimer alapanyag-keverő tartály technológiai vázlata látha-
tó [3].
6.39. ábra. Polimer alapanyag-keverő tartály technológiai vázlata


![]()
![]()
![]()
![]()
![]()
![]()
![]()
![]()
![]()
![]()
![]()
![]()
![]()
![]()
![]()
![]()
![]()
![]()
![]()
![]()
![]()
![]()
![]()
![]()
![]()
![]()
![]()
![]()
![]()
![]()
![]()
![]()
![]()
![]()
![]()
![]()
![]()
![]()
![]()
![]()
![]()
![]()
![]()
![]()
![]()
![]()
![]()
![]()
![]()
![]()
![]()
![]()
![]()
![]()
![]()
![]()
![]()
![]()
![]()
![]()
![]()
![]()
![]()
![]()
![]()
![]()
![]()
![]()
![]()
![]()
![]()
![]()
![]()
![]()
![]()
![]()
![]()
![]()
![]()
![]()
![]()
![]()
![]()
![]()
![]()
![]()
![]()
![]()
![]()
A tartályok üres, ill. tele állapotot detektáló érzékelőkkel vannak ellátva. A T2 tartály
fűtőegységgel van felszerelve a polimer megfelelő hőmérsékleten tartásához. A T3 tartály
keverőkarjaival keveri a két komponenst. A T3 tartályból szűrőn kerül át a keverék a T4 tar-
tályba. A T1, T2 tartályok töltése a P1, P2 pumpával történik. A pumpákat a tele érzékelők
kapcsolják ki. Az alsó két tartály (T3, T4) kétszer olyan térfogatú, mint a felső tartályok. A T2
tartályban lévő folyadékot 60oC-ra kell felfűteni. A hőmérsékletet érzékelő méri. Amikor a
hőmérséklet eléri a 60oC -ot, akkor a P3, P4 pumpák révén át kell tölteni a folyadékot a T3
tartályba. Amikor a T3 megtelik, a P3, P4 pumpákat ki kell kapcsolni. Ekkor kell indítani a
keverést a T3 tartályban. 60 s keverési idő elteltével a keveréket át kell pumpálni a P5 működ-
tetésével a szűrőn keresztül. A P5 pumpát akkor kell leállítani, ha a T4 tartály megtelt vagy a
T3 üres. Végül a megkevert és megszűrt terméket a tárolósilóba kell tölteni a P6 pumpa mű-
ködtetésével. A folyamat SFC folyamatábráját a 6.40. ábra szemlélteti.
6.40. ábra. A keverőtartály vezérlésének folyamatábrája
A be/kimenetek hozzárendelését a 6.1. táblázat tartalmazza.
6.1. táblázat. A be/kimenetek hozzárendelése
Funkció
1. tartály üres
1. tartály üres
2. tartály üres
2. tartály üres
3. tartály üres
Jelölés
T1E
T1F
T2E
T2F
T3E
PLC cím
X401
X402
X403
X404
X405
Állapot
bemenet
bemenet
bemenet
bemenet
bemenet
![]()
![]()
![]()
![]()
![]()
![]()
![]()
![]()
![]()
![]()
![]()
![]()
![]()
![]()
![]()
![]()
![]()
![]()
![]()
![]()
![]()
![]()
![]()
![]()
![]()
![]()
![]()
![]()
![]()
![]()
![]()
![]()
![]()
![]()
![]()
![]()
![]()
![]()
![]()
![]()
![]()
![]()
![]()
![]()
![]()
![]()
![]()
![]()
![]()
![]()
![]()
![]()
![]()
![]()
![]()
![]()
![]()
![]()
![]()
![]()
![]()
![]()
![]()
![]()
![]()
![]()
![]()
![]()
![]()
![]()
![]()
![]()
![]()
![]()
![]()
![]()
![]()
![]()
![]()
![]()
![]()
![]()
![]()
![]()
![]()
![]()
![]()
![]()
![]()
![]()
![]()
![]()
![]()
![]()
![]()
![]()
![]()
![]()
![]()
![]()
![]()
![]()
![]()
![]()
![]()
![]()
![]()
![]()
![]()
![]()
![]()
![]()
![]()
![]()
![]()
![]()
![]()
![]()
![]()
![]()
![]()
![]()
![]()
![]()
![]()
![]()
![]()
![]()
![]()
![]()
![]()
![]()
![]()
![]()
![]()
![]()
![]()
![]()
![]()
![]()
![]()
![]()
![]()
![]()
![]()
![]()
![]()
![]()
![]()
![]()
![]()
![]()
![]()
![]()
![]()
![]()
![]()
![]()
![]()
![]()
![]()
![]()
![]()
![]()
![]()
![]()
![]()
![]()
![]()
![]()
![]()
![]()
![]()
![]()
![]()
![]()
![]()
![]()
![]()
![]()
![]()
![]()
![]()
![]()
![]()
![]()
![]()
![]()
![]()
![]()
![]()
![]()
![]()
![]()
![]()
![]()
![]()
![]()
![]()
![]()
![]()
![]()
![]()
![]()
![]()
![]()
![]()
![]()
![]()
![]()
![]()
![]()
![]()
![]()
![]()
![]()
![]()
![]()
![]()
![]()
![]()
![]()
![]()
![]()
![]()
![]()
![]()
![]()
![]()
![]()
![]()
![]()
![]()
![]()
![]()
![]()
![]()
![]()
![]()
![]()
![]()
![]()
![]()
![]()
![]()
![]()
![]()
![]()
![]()
![]()
![]()
![]()
![]()
![]()
![]()
![]()
![]()
![]()
![]()
![]()
![]()
![]()
![]()
![]()
![]()
![]()
![]()
![]()
![]()
![]()
![]()
![]()
![]()
![]()
![]()
![]()
![]()
![]()
![]()
![]()
![]()
![]()
![]()
![]()
![]()
![]()
![]()
![]()
![]()
![]()
![]()
![]()
![]()
![]()
![]()
![]()
![]()
![]()
![]()
![]()
![]()
![]()
![]()
![]()
![]()
![]()
![]()
![]()
![]()
![]()
![]()
![]()
![]()
![]()
3. tartály üres
4. tartály üres
5. tartály üres
Hőmérséklet-érzékelő
START kapcsoló
1. pumpa
2. pumpa
3. pumpa
4. pumpa
5. pumpa
6. pumpa
Fűtő elem
Keverőelem
Időzítő
Kiinduló egyenletek:
T3F
T4E
T4F
TEMP
1. állapot
2. állapot
3. állapot
4. állapot
5. állapot
6. állapot
7. állapot
8. állapot
P1
P2
P3
P4
P5
P6
HEAT
STIR
TIME
X406
X407
X410
X411
M70
M101
M102
M103
M104
M105
M106
M107
M108
Y430
Y431
Y432
Y433
Y434
Y435
Y436
Y437
Y450
bemenet
bemenet
bemenet
bemenet
PLC merker
merker
merker
merker
merker
merker
merker
merker
merker
kimenet
kimenet
kimenet
kimenet
kimenet
kimenet
kimenet
kimenet
belső timer
1. lépés: 8 & T 4E V INIT V 1& T1F
E szerint az 1. lépés akkor következik be, ha
− a 8-as lépés befejeződött ÉS a 4. tartály üres;
− VAGY a kezdeti ciklus van kezdeményezve;
− VAGY az 1. lépés és az 1. tartály még nem telt meg.
További logikai egyenletek.
2. lépés: 8 & T 4 E V INIT V 1 & T 2 F
3. lépés: 2 & T2 F V HEAT & TEMP
4. lépés: )
HEAT & TEMP V 4 & T 3F & T1E
5. lépés: )
HEAT & TEMP V 5 & T 3F & T 2E
6. lépés: )
HEAT & TEMP V 6 & TIME & T3 E
7. lépés: )
6 & TIME V 7 & T 4 F & T 3 E
8. lépés: 7 & T 4 F V 8 & T 4 E .
Fenti egyenleteket átalakíthatjuk:
1. lépés: 8 & T 4 E V INIT V 1 & TIF
2. lépés: 8 & T 4 E V INIT V 2 & 3
3. lépés: 2 & T 2 F V 3 & 5
4. lépés: )
3 & TEMP V 4 & T 3F & T1E
![]()
![]()
![]()
![]()
![]()
5. lépés:
3& TEMP V & T3F & T E5 2
6. lépés:
3& TEMP V &6 7 & T E3
7. lépés: 6& TIME V 7 & 8 & T3E
8. lépés: 7 & T 4F V 8 &1
INIT = 1.
A feladat létradiagramja a 6.41. ábra szerinti [3].

6.41. ábra. A keverőtartály vezérlésének létradiagramja
6.5. Mikro-PLC-k alkalmazása
A PLC-k legkisebb és legújabb kategóriája a mikro-PLC. Közös jellemzőjük, hogy
mágneskapcsolónyi méretűek, 5-10 bemenettel, 3-5 kimenettel vannak ellátva és a programo-
zói és megjelenítési funkciót is tartalmazzák, sőt terepi buszrendszer is csatlakozhat hozzájuk.
A mikro-PLC-k tipikus képviselője a LOGO! család.
Műszaki adatok:
− méretek: 72 x 90 x 55 mm-től 126 x 90 x 55 mm;
− bemenetek: 6...12 típustól függően;
− kimenetek: 4...8 típustól függően;
− ASI slave busz interfészkezelés típustól függően.
A SIEMENS gyártmányú LOGO! felépítését szemlélteti az 6.42. ábra [9].
6.42. ábra. A LOGO! felépítése
A kimenetek lehetnek 4Η230 V/8 A-es (relés) vagy 8Η24 V/0,3 A-es (tranzisztoros)
kivitelűek. A LOGO!-t a mágneskapcsolókhoz hasonlóan DIN sínre lehet felszerelni. A
LOGO! alapkiépítésben hat beépített alapműveletet és 11 beépített különleges műveletet ké-
pes végrehajtani.
Alapműveletek:
− AND
− OR
− NOT
záróérintkezők (3 db) soros kapcsolása;
záróérintkezők (3 db) párhuzamos kapcsolása;
bontóérintkező;
− NAND bontóérintkezők (3 db) párhuzamos kapcsolása;
− NOR
− XOR
bontóérintkezők (3 db) soros kapcsolása;
két váltóérintkező soros kapcsolása.

Különleges funkciók:
− bekapcsolási késleltetés;
− kikapcsolási késleltetés (alkalmazási példa: lépcsőházi világítás automatája);
− ki-/bekapcsoló relé (alkalmazási példa: folyosóvilágítás);
− kapcsolóóra + naptár;
− öntartó relé (SR FF);
− impulzusadó;
− tárolóbekapcsolás késleltetéssel;
− előre- és visszaszámlálás.
A LOGO! logikai szimbólumokkal programozható. Az LCD megjelenítőn egyidejűleg
egy szimbólumot jelenít meg. A logikai hálózat kialakításához a LOGO! blokkszámmal látja
el az egyes logikai modulokat, amivel szervezhetjük a blokkok kapcsolatát (6.43. ábra) [9].
6.43. ábra. Logikai blokkok összekapcsolása
A LOGO! vagy a saját kezelőszervei és az LCD kijelzője felhasználásával vagy PC-s
fejlesztőrendszer támogatásával programozható.
A PC-s LOGO! szoftver előnyei:
− a programozás a LOGO!-tól független;
− a fejlesztett program szimulálható;
− kapcsolási terv előállítható és kinyomtatható;
− a program tárolása merevlemezen vagy más adathordozón lehetséges;
− a program átvihető a LOGO!-ból a PC-be vagy a PC-ből a LOGO!-ba.
Néhány LOGO! alkalmazási ajánlás:
− lépcsőház-, ill. folyosóvilágítás;
− automatikus ajtó működtetése;
− riasztóberendezés;
− szellőztetőberendezés vezérlése;
− ipari kapu automatikus működtetése;
− több ipari kapu vezérlése és felügyelete;
− fénycsövek működtetése;
− háztartási vízszivattyú vezérlése;
− több szivattyú központi vezérlése és felügyelete.



Példaként a középületek, szupermarketek automatikus működtetésű ajtajának vezérlé-
sét mutatjuk be LOGO! PLC-vel.
Az automatikus ajtó követelményei:
− automatikusan ki kell nyílnia, ha valaki közeledik hozzá,
− addig nyitva kell maradnia, amíg valaki az átjáróban tartózkodik,
− a fenti feltételek nem teljesülése esetén, rövid várakozási idő elteltével automatiku-
san be kell záródnia.
Az ajtóműködtetés technológiája az 6.44. ábrán látható [9].
6.44. ábra. Automatikus működtetésű ajtó technológiája
Az ajtót csúszó tengelykapcsolón keresztül egy motor mozgatja. Így elkerülhető, hogy
valaki a két szárny közé beszoruljon vagy megsérüljön. Az egész vezérlés főkapcsolón ke-
resztül van a hálózatba kötve. A korábbi érintkezős megoldás a 6.45. ábrán látható.
6.45. ábra. Automatikus működtetésű ajtó érintkezős vezérlése



Amikor a B1 vagy a B2 mozgásérzékelő valaki közeledtét érzékeli, akkor a K3
mágneskapcsoló elindítja az ajtó nyitását. Ha már egyik mozgásérzékelő sem jelez mozgást,
akkor a K4 mágneskapcsoló bezárja az ajtót. A megfelelő késleltetésről a K4 időrelé gondos-
kodik. LOGO!-val a kapcsolást lényegesen le lehet egyszerűsíteni. A készülékhez csak a
mozgásérzékelőket, a végálláskapcsolókat és a mágneskapcsolót kell csatlakoztatni (6.46.
ábra) [9].
6.46. ábra. Automatikus működtetésű ajtó vezérlési sémája LOGO!-val
Felhasznált elemek:
− K1
− K2
− S1
− S2
− B1
− B2
nyitás mágneskapcsoló;
zárás mágneskapcsoló;
zárva végálláskapcsoló (nyitóérintkező);
nyitva végálláskapcsoló (nyitóérintkező);
külső infravörös mozgásérzékelő (záróérintkező);
belső infravörös mozgásérzékelő (záróérintkező).
A funkcióblokkos program a LOGO!-hoz a 6.47. ábra szerinti [9].
6.47. ábra. Funkcióblokkos program az ajtó működtetéséhez
A 6.47. ábra a 6.45. ábra kapcsolási rajza alapján készült. A LOGO! kikapcsolás kés-
leltetési funkciójával a program tovább egyszerűsíthető a 6.48. ábra szerint [9].

6.48. ábra. Egyszerűsített program az ajtó működtetéséhez
A LOGO! típuson kívül számos hasonló mikro-PLC van forgalomban, például a
Klöckner Moeller EASY típusa vagy a Schneider Electric ZELIO típusa.
Irodalomjegyzék
E. A. Parr: Programmable Controllers - An Engineer's Guide.
Newness, 1996.
P. Rohner: Automation with Programmable Logic Controllers.
Macmillan Press Ltd., 1996.
Ian G. Warnock: Programmable Controllers Operation and Application.
Prentice Hall International, 1988.
Tverdota M., Harkay T.: Villamos vezérléstechnika.
KKMF, Budapest, 1998.
Ajtonyi I.: Digitális rendszerek.
Miskolc, Egyetemi Kiadó, 1998.
F. Erdélyi, T. Tóth: Control of Manufacturing Systems on the Base of a Multi-level
Hierarchical Model. Proceedings of the 3rd CIRP Workshop.
Tokio, 1996.
Spendel Zs.: A pneumatikus munkahengerek közvetlen és teljes funkcióvezérlése. Pne-
umatika, hidraulika, hajtástechnika, automatizálás, 1999/2000.
WONDERWARE: Factory Suite 2000 USERS MANUAL, 2000.
SIEMENS: LOGO! kézikönyv, 1999.
[10] GE Fanuc Automation: Series 90-30 Programmable Controllers. Product Catalog, 1997.
[11] SIEMENS: SIMATIC S7-200. Applications "Tips and Tricks", 1995.
Találat: 12819