|
|
||
|
|||||||||||||||||||
Ebben a fejezetben azokkal az esetekkel foglalkozunk, amikor a gép üzeme egyenletes, ami megnyilvánulhat abban, hogy haladási sebessége állandó, vagy egy másik gép esetén valamelyik tengelyének fordulatszáma változatlan stb. Ennek következtében nem foglalkozunk egyelöre az indítás, gyorsítás, lassítás és megállás eseteivel. Ezek tárgyalását a következö fejezetben végezzük el.
A gyakorlatban egyenletes sebességü üzem viszonylag ritkán fordul elö, ellenben az esetek jó részében az üzemmódot közelítöleg egyenletesnek tekinthetjük. Ilyenkor beszélhetünk arról, hogy a vasúti szerelvény vagy más jármü egy bizonyos utat állandó sebességgel tett meg; az emelögép emelési sebessége állandó stb. Figyelmen kívül hagyjuk tehát az indulási és megállási szakaszt, melyek ezekben az esetekben nem jellemzöek a mozgásra. Más esetekben, pl. dugattyús gépek esetén éppenséggel az állandó sebességváltozás a jellemzö a dugattyú mozgására és a gép üzemére, itt már nem lehet figyelmen kívül hagyni a sebességváltozást.
Ha egy tárgyat valamilyen pályán elcsúsztatunk, éspedig állandó sebességgel, azt tapasztaljuk, hogy eröt kell kifejtenünk. Azt az eröt, melynek legyözésével tudjuk csak fenntartani az egyenletes mozgást, súrlódási erönek nevezzük.
A súrlódási erö mindig ellentétes a mozgás irányával, és mindig a pálya érintöjében hat. A súrlódási erö nagysága elméletileg nem függ az érintkezö felületek nagyságától, a mozgás sebességétöl, csakis az egymáson elcsúszó felületek anyagától és minöségétöl, valamint az érintkezö felületre meröleges erö nagyságától. A súrlódási erö tehát:
(N)
|
1.09.ábra |
ahol m a csúszási súrlódási tényezö, Fn az érintkezö felület normálisában ható erö (1.09. ábra).
A súrlódási tényezö kísérleti úton határozható meg, táblázatok, szakkönyvek tartalmazzák értékeit különbözö anyag párok esetén.
Az imént csúszási
súrlódási tényezöröl beszéltünk, ugyanis mozgás közben fellépö súrlódásról
volt szó. Némileg más a helyzet, ha nyugalomban lévö testet akarunk
elmozdítani csúsztatással. A tapasztalat szerint a nyugalomból való kimozdításhoz nagyobb
erö szükséges, mint ahhoz, hogy ugyanezen testet állandó sebességgel
csúsztassuk. Ezen erö meghatározása teljesen hasonlóan történik a
mozgásbeli súrlódási erö meghatározásához, a különbség a súrlódási
tényezöben van. Ebben az esetben ugyanis a m tapadási súrlódási tényezöt
használjuk, melynek értéke némileg nagyobb a megfelelö m értéknél
|
1.10.ábra |
(N)
Néhány fontosabb m és m0 értéket az 1. táblázatban foglaltunk össze.
A csúszási súrlódás a felületek egyenetlenségeinek tulajdonítható (1.10. ábra). A leggondosabban lecsiszolt felületek is érdesek - legalábbis mikroszkopikusan - tehát súrlódási erö létezik, de nagysága a felületi megmunkálás finomságának növelésével csökkenthetö (ez a súrlódási tényezö csökkentését jelenti). A tapadás esetén vizsgálva azt tapasztaljuk, hogy az igen gondosan lecsiszolt felületek kitünöen tapadnak egymáshoz.
A csúszási súrlódási tényezö értéke jelentösen csökkenthetö kenöanyagok, pl. olajok alkalmazásával. Ekkor a szilárd testek súrlódása helyébe a lényegesen kisebb folyadéksúrlódás lép (1.11. ábra).
|
|
Csúszási és tapadási súrlódási tényezök |
|||||
|
|
|
(tájékoztató irányértékek) |
|
|||
|
|
|
csúszási súrlódási |
|
tapadási súrlódási |
||
|
|
|
tényezö (m) |
|
tényezö (m) |
||
|
|
|
szárazon |
kenve |
|
szárazon |
kenve |
|
Acél A 38 |
|
|
|
|
|
|
|
acélon |
|
|
|
|
|
|
|
öntöttvason |
|
|
|
|
|
|
|
fehérfémen |
|
- |
|
|
- |
- |
|
bronzon |
|
|
|
|
|
- |
|
fán |
|
|
|
|
|
|
|
Börszíj |
|
|
|
|
|
|
|
fémen |
|
|
|
|
|
|
|
öntöttvason |
|
|
|
|
|
|
|
fán |
|
|
- |
|
|
- |
|
Fékszalag |
|
|
|
|
|
|
|
acélon |
|
|
- |
|
- |
- |
|
Gumi |
|
|
|
|
|
|
|
aszfalton |
|
|
- |
|
|
- |
|
Ferrodol |
|
|
|
|
|
|
|
öntöttvason ill. |
|
|
|
|
|
|
|
acélon |
|
|
- |
|
- |
- |
|
Kenderkötél |
|
|
|
|
|
|
|
fán |
|
|
- |
|
|
- |
|
acélon |
|
|
- |
|
|
- |
1.01. táblázat
|
1.11.ábra |
Maga a csúszási súrlódás elkerülhetö pl. kocsiknál kerekek, tengelyeknél gördülöcsapágyak alkalmazásával, ill. az általában lényegesen kisebb gördülési ellenállással helyettesíthetö.
Egy pályán gördülö kerék esetén a kerék kisebb-nagyobb mértékben belenyomódik a pályába (1.12. ábra). A kerék tehát nem egy ponton, hanem egy felület mentén érintkezik a pályával. Ezen felület mentén egy megoszló erörendszer tart egyensúlyt a pályára meröleges F erö hatásvonalától. Egyenletes sebességü haladás esetén az így fellépö lassító nyomaték egyenlö kell, hogy legyen a mozgást elöidézö Ft erö nyomatékával
tehát
![]()
Egy kerék egyenletes sebességü gördítéséhez szükséges erö egyenlö a normális irányú erönek (Fn) és egy tényezönek a szorzatával (f / r). Ezt a tényezöt gördülöellenállási tényezönek nevezzük (mg
|
1.12.ábra |
A gyakorlatban az alábbi összefüggés szerint dolgozunk
![]()
A gördülöellenállási tényezöröl mondottakból következik, minél jobban belenyomódik a kerék a pályába, annál nagyobb, minél nagyobb a kerék átméröje, annál kisebb az egyenletes sebességü vontatáshoz szükséges erö. Mindez jó egyeztetést mutat a gyakorlati tapasztalatokkal. Néhány fontosabb mg értéket a 2. táblázatban foglaltuk össze.
Érdemes megjegyezni, hogy néhány esetben mg helyett f értéke adott pl. cm-ben. Ilyenkor természetesen az ellenállási erö meghatározásához a kerék sugarának ismerete is szükséges.
|
Gördülöellenállási tényezök |
|
|
(tájékoztató irányértékek) |
|
|
|
(m g |
|
Vasúti kocsi |
|
|
vasúti sínen (kis sebességnél) |
|
|
vasúti sínen (nagy sebességnél egyéb |
|
|
ellenállásokkal együtt |
|
|
Gépjármü |
|
|
jó aszfaltúton |
|
|
jó köburkolaton |
|
|
jó makadám országúton |
|
|
száraz, kemény és jó földúton |
|
|
közönséges földúton |
|
1.02. táblázat
|
1.13.ábra |
Vízszintes pályán történö egyenletes sebességü vontatás esetén, mivel a test súlypontjának magassága nem változik - éppen akkora eröt kell kifejtenünk, amekkora az ellenállási erök összege (gördülö-ellenállás, súrlódás, légellenállás). A továbbiakban a légellenállást figyelmen kívül hagyjuk, valamint a gyakorlati életben gyakrabban elöforduló gördülö-ellenállással foglalkozunk. Mint a fentebb elmondottakból kitünik a súrlódás és a gördülö-ellenállás kezelése között mindössze a tényezöben van eltérés, jóllehet a két jelenség egymástól jelentösen eltér.
Vízszintes pályán vontatott kocsit mutat az 1.13. ábra. Mint korábban említettük, a vontatáshoz szükséges erö (Ft) éppen egyenlö az ellenállási erövel (Fg):
![]()
Az ellenállási erö ebben az esetben :
(N)
mivel vízszintes pályára meröleges erö éppen a kocsi súlyereje.
Valamely s hosszúságú úton történö vontatás esetén
![]()
munkát kell végeznünk. Ez a munka természetesen egyenlö az ellenállási erö által felemésztett munkával:
(J)
Ez a munkamennyiség a mozgatás során súrlódási hövé alakul át. Ha SI mértékegység-rendszerben számolunk, akkor a hömennyiséget szintén joule-ban mérjük, tehát semmiféle átszámításra nincs szükség. A technikai mértékrendszerben a munka mértékegysége kpm volt, ami a technikai mértékrendszerben érvényes hömennyiség-egységre, a kcal-ára az alábbi egyenlet szerint számítható át:
![]()
Nem mellékes szempont az, hogy ezt a munkamennyiséget mennyi idö alatt végezzük el. Fontos jellemzö tehát az elvégzett munkának az idö egységére esö hányadosa, amit teljesítménynek nevezünk.
![]()
Ha az összefüggést kissé kifejtjük:
![]()
azaz a vontatóerö teljesítménye egyenlö a vontatóerö és a vontatási sebesség szorzatával. Természetesen az ellenállás teljesítménye a vontatás teljesítményével megegyezik
Ha az említett kocsi nem vízszintes, hanem lejtös pályán kell vontatnunk, úgy a kocsi eröjátéka az 1.14. ábra szerint alakul. A kocsi súlyereje felbontható egy lejtöre meröleges és egy lejtövel párhuzamos komponensre. A meröleges szárú szögpárok segítségével a lejtövel párhuzamos komponens
|
1.14.ábra |
(N)
és a lejtöre meröleges komponens
(N)
Az ellenállási erö ennek következtében
![]()
A vonóerönek
pedig nyilvánvalóan a
és
erök összegével
kell egyensúlyt tartania egyenletes sebességü vontatás esetén.
(N)
Ha a kocsi egészen egyszerüen csak áll a lejtön, úgy elképzelhetö a következö három eset (1.15. ábra):
|
1.15.ábra |
1. ![]()
a kocsi nyugalomban marad a lejtön,
2. ![]()
a kocsi állandó sebességgel legördül
a lejtön,
3. ![]()
a kocsi gyorsulva gördül le a lejtön.
Az 1. esetben a lefelé vontatáshoz is vontatóerö szükséges, mégpedig
(N)
A 3. esettel a késöbbiekben még részletesen foglalkozunk, itt csak annyit jegyezzünk meg, hogy ezen gyorsuló legördülés megakadályozásához éppen
(N)
nagyságú fékezöeröt kell befektetnünk.
A 2. esettel
kapcsolatban útmutatást találhatunk a
tényezö kísérleti
meghatározására.
Ugyanis
![]()
tehát
![]()
Ez annyit jelent,
hogy ha egy változtatható hajlásszögü lejtöre helyezett kocsi esetén
a lejtö hajlásszögét addig növeljük, amíg a kocsi éppen elindul és
egyenletes sebességgel legördül, a megmért szög tangense éppen a
tényezöt
eredményezi. Nyilvánvaló az is, hogy ugyanilyen módon a
súrlódási tényezö
is meghatározható. Vigyázni az utóbbi esetben azért kell, mert egy bizonyos
határszög tangense éppen a tapadási súrlódási tényezöt szolgáltatja. A
csúszási súrlódási tényezö meghatározásához azt a hajlásszöget kell
megkeresni, melynél a lecsúszó test sebessége állandó !
Lejtön történö tehervontatáskor valamely s úton végzett munka (1.16. ábra)
(J)
Ez a munka azonban nem alakul teljes egészében súrlódási hövé, hiszen
(J)
azaz a súrlódási hö csak a második tagból lesz. Az elsö tag éppen a helyzeti energiának a növekedése, ezt a munkamennyiséget pedig a kocsi képes visszaszolgáltatni.
|
1.16.ábra |
A teljesítmény az általános összefüggés szerint
(W)
Abban az esetben, amikor a fékezöerö müködtetésével érjük el, hogy a kocsi egyenletes sebességgel gördüljön le a lejtön, fékezési teljesítményröl beszélünk:
(W)
amely höteljesítmény teljes egészében a fékeket terheli; természetesen
mechanikus fékezés esetén (nem motorfék alkalmazásánál).
A gyakorlatban a lejtök igen sokszor nem szögükkel adottak, hanem lejtésükkel, jele: i, százalékban (%) vagy ezrelékben (%o). Ilyen esetekben, hacsak a számítás nem igényel nagy pontosságot, a következö módon járhatunk el.
A százalékban vagy ezrelékben megadott lejtés mindig a lejtö szögének tangensével egyezik meg. Ha a lejtés százalékos értéke nem nagyobb 9%-nál, vagy éppen ezrelékben adott, úgy alkalmazhatjuk a következö egyszerüsítést
aminek következtében
![]()
Tehát
összefüggéseink változatlanul felhasználhatók, azonban annyiban
egyszerüsödnek, hogy
helyében i,
helyében pedig 1
írható.
Így például
(N)
összefüggésünk
(N)
alakra egyszerüsödik.
A teheremelés az emelögép munkája. A felemelt test a teher (súlya G), melyet valamilyet függesztö elem segítségével valamely h magasságra emelünk.
Az emelögép legegyszerübb alakja az 1.17. ábra vázlatosan bemutatott állócsiga. Mint látható, az állócsiga a húzóeröt átvivö kötelet eltereli, amivel elérhetö, hogy a húzóerö a munkavégzés szempontjából kedvezöbb irányú legyen.
Ha minden veszteségtöl eltekintünk, úgy az egyenletes sebességü emelés feltétele G = F. Nyilvánvaló, hogy adott h magasságra történö súlyemelés esetén a végzett munka éppen a helyzeti energia megváltozásával egyenlö
(J)
|
1.17.ábra |
Az F erö, mint mondottuk egyenlö a G erövel, munkája
(J)
ahol szükségképpen
![]()
mivel a kötelet nyújthatatlannak tekintjük. Mint az 1.17. ábrán a munkaterületekkel szemléltetve látható,
(J)
A teheremelés teljesítménye pedig, ha vG az emelés sebessége
![]()
természetesen veszteségmentes esetben.
A tehersüllyesztés folyamata egyenletes sebességü üzem esetén mindössze annyiban különbözik a fent leírtaktól, hogy ebben az esetben a mozgási energia apadásáról kell beszélnünk, tehát a G súlyerö végzi a munkát az F erö ellenében.
Mint az 1.17. ábra kapcsán láttuk az állócsiga segítségével módosítottuk a munkát végzö erö irányát. Ha a terhet az 1.18. ábra szerint mozgó csigára függesztjük, úgy elérhetjük a munkát végzö erö nagyságának módosítását is. Az ábrán feltüntetett állócsiga az erö irányát módosítja, mint tudjuk az erö nagyságára nincs befolyása.
Könnyen megállapíthatjuk, hogy a mozgócsiga két kötelében egyaránt G/2 erö hat. Az egyik erö a felfüggesztési pontban adódik át valamely szerkezetre, míg a másik eröt a munkát végzö F erö egyensúlyozza ki. Tehát
![]()
ami egyben az egyenletes sebességü emelés feltétele. Ha meggondoljuk, hogy adott h magasságra történö emeléshez
(Nm) = (J)
ahonnan
![]()
Tehát elértük az erö nagyságának módosítását, de természetesen munkát nem takarítottunk meg. Mindezt szemléletesen is beláthatjuk az 1.18. ábra alapján.
A megvalósított módosítás: a mozgatóerö a teher nagyságának a fele, mivel a teher nagyságát megfeleztük. Ennek azonban az ára az, hogy kétszer hosszabb úton kell kifejtenünk a mozgatóeröt, valamint a teheremelés sebessége mindössze fele a mozgatóerö sebességének:
|
1.18.ábra |
![]()
Mindez könnyen belátható, ha arra gondolunk, hogy szükségképpen a mozgatóerö és a teher teljesítménye egyenlö, ha továbbra is feltételezzük, hogy veszteségmentes az emelöszerkezet. Ekkor ugyanis felírható a következö egyenletsor
![]()
Nem hagyva figyelmen kívül azt, amit korábban a súlyerö és a mozgatóerö viszonyára vonatkozóan megállapítottunk, ebböl más nem következik, mint amit belátni kívántunk:
![]()
Egy mozgó csigával tehát kétszeres módosítást értünk el. Nyilvánvaló, ha az 1.18. ábrán bemutatott szerkezetet kibövítjük oly módon, hogy az állócsiga után egy újabb mozgó csigát iktatunk be, és a terhet az 1.19. ábrán bemutatott módon egy teherelosztó gerenda segítségével mindkét mozgócsigára felfüggesztjük, úgy a módosítás már négyszeres lesz. Ez belátható oly módon is, hogy a G súlyú teher immár négy kötélágban oszlik meg, és ezek közül csak az egyik kötélágban fejtjük ki az F eröt.
|
1.19.ábra |
Belátható azonban
oly módon is, hogy az 1.19. ábrán egy
kétszeres módosítást adó szerkezet után egy újabb kétszeres módosítást adó
szerkezetet építünk be, tehát a teljes módosítás nyilván
.
Természetesen a teheremelés sebessége a mozgatóerö sebességéhez képest még jobban elmarad, mégpedig
![]()
Ennek bizonyítására nem térünk ki, a korábban bemutatott úton minden nehézség nélkül elvégezhetö.
|
1.20.ábra |
Az egy mozgó csigával megvalósított teherfelfüggesztést 2 kötélágas, a két mozgó csigával megvalósított 4 kötélágas teherfelfüggesztésnek is szokás nevezni. A gyakorlatban a mozgó csigák nem rendelkeznek külön tengellyel, hanem egy közös tengelyen vannak egymás mellé helyezve (1.20. ábra). A szükséges állócsigák szintén egy közös tengelyre kerülnek, így jelentösen csökkenthetö a szerkezet helyigénye.
A gyakorlatban a legalárendeltebb esetektöl eltekintve mindenhol 2,4 esetleg több kötélágas felfüggesztést alkalmaznak. Ez ugyanis egy olyan egyszerü módosítás, mellyel jeltösen csökkenthetö az egy kötélágban ható erö, miáltal az emelögép teherbírása növelhetö anélkül, hogy túlságosan nagy átméröjü acélsodrony alkalmazása válna szükségessé. A kisebb átméröjü kötél olcsóbb, könnyebb, és könnyebben hajlítható, ami a veszteségek és az élettartam szempontjából egyáltalán nem mellékes.
|
1.21.ábra |
Mint ezt az elözö fejezetben megállapítottuk, az állócsiga segítségével a munkavégzés irányát módosítottuk, kedvezöbbé tettük a munkát végzö ember számára. A mozgócsigák segítségével pedig az erö nagyságát módosítottuk. Mindkét esetnél azonban a munkát végzö erö egyenes pályán haladt. A munkavégzés szempontjából még kedvezöbb helyzet áll elö, ha a hajlékony vonóelemet (kötél) nem egyenes pályán mozgatjuk, hanem a végét egy un. kötéldobra csévéljük, a kötéldobot pedig a tengelyére ékelt hajtókar segítségével forgatjuk. Az említett szerkezet vázlatát az 1.21. ábra mutatja. Mivel a gyakorlatban a vázolt szerkezet igen elterjedt, vizsgáljuk meg egyenletes sebességü üzemét.
Az egyenletes sebességü üzem annyit jelent, hogy a teher (G) vagy az emelöerö (F) sebessége állandó. Az F erö esetében ez azt jelenti, hogy a kerületi sebesség nagysága állandó,
![]()
ahol k a hajtókar
hossza. Mivel ez állandó, a kerületi sebesség állandósága az
szögsebesség
állandóságát is jelenti. Mivel a szögsebesség - ami az egy másodpercre esö
radiánban kifejezett szögelfordulás - mérése igen nehéz, ezért a forgó mozgás
jellemzésére a szögsebesség helyett bevezették a fordulatszámot. A fordulatszám
az egy másodperc alatt megtett fordulatok számát fejezi ki, n betüvel
jelöljük, mértékegysége (1/s). A gyakorlati életben általánosan elterjedt szokás
az egy perc alatt megtett fordulatok számáról beszélni, így a fordulatszám
mértékegysége 1/min. A szögsebesség és az 1/min-ban kifejezett fordulatszám az
alábbiak szerint van összefüggésben egymással.
Egy
körülfordulással a tengely 2
szöget ír le, tehát egy perc alatt
a szögelfordulás. Ennek
pedig egy másodpercre esö része a szögsebesség. Tehát
![]()
ahol n a
fordulatszám (1/min)-ban,
pedig a szögsebesség
(1/s)-ban.
A továbbiakban - széleskörü elterjedtsége miatt- a fordulatszám mértékegységeként az 1/min-t használjuk.
Tehát az F erö sebessége, a kerületi sebesség
![]()
Az F erö teljesítménye pedig
![]()
Korábbi vizsgálataink szerint veszteségmentes és egyenletes sebességü üzem esetén ez a teljesítmény egyenlö a teher által elfogyasztott teljesítményével. Ha a teher emelkedésének sebessége vG
(W)
A teher sebességét azonban felírhatjuk a következö módon
![]()
Ugyanis a teher emelkedési sebessége természetesen a D átméröjü kötéldob kerületi sebességével egyezik meg. Az pedig egészen nyilvánvaló, hogy a dob és a hajtókar fordulatszáma azonos, hiszen azonos tengelyre vannak ékelve! Ezek után felírható, hogy
![]()
A lehetséges egyszerüsítés után
![]()
Eredményünk azt jelenti, hogy a vizsgált esetben az egyenletes sebességü üzem feltétele, hogy a közös tengelyre számított nyomatékok egymással egyenlöek legyenek, hiszen a bal oldalon a G teher nyomatéka, a jobb oldalon az F erö nyomatéka állandó.
(Nm)
Ha újra szemügyre vesszük az 1.21. ábrát és annak megfelelöen
![]()
akkor a nyomatékok egyenlöségéböl következik ,hogy
![]()
mégpedig

Tehát itt is módosítottuk az erö nagyságát, mint a mozgó csiga esetén.
A teher és a hajtóerö nyomatékának bevezetésével a teljesítményt a következö, forgó mozgásoknál szokásos alakban írhatjuk fel
(W)
|
1.22.ábra |
Tehát a teljesítményt a nyomaték és a szögsebesség (vagy a fordulatszám) egyértelmüen meghatározza. Azaz ha megmérjük egy erögép tengelyének fordulatszámát és nyomatékát, abból meghatározhatjuk a gép teljesítményét.
Egy ilyen gyakorlati mérési eljárást szemléltet az 1.22. ábra, ahol Prony-fékkel történö mérés vázlatát láthatjuk. Az erögép tengelyére szorítópofákat helyezünk. A pofák szorossága állítható, miáltal különbözö fékezö nyomaték állítható be, hiszen a súrlódási erö más és más lesz. Ennek a nyomatéknak a meghatározása céljából a fékberendezéshez egy kar van erösítve, mely egy erömérö mérleg tányérjára támaszkodik. Az 1.22. ábrán jelzett k karhosszhoz megmérhetö az F erö értéke leolvasható a mérleg skálájáról. Ezen két mennyiség szorzata adja a keresett nyomatékot
(Nm)
A fordulatszám vagy méröórával vagy számlálással (kisebb fordulatszámoknál) határozható meg. Ezekböl az adatokból a gép teljesítménye a már ismert úton számítható.
A fékezés nemcsak mechanikusan történhet, hanem hidraulikusan, vagy villamos úton is. Az elöbbi esetben vízfékröl, az utóbbi esetben pedig un. örvényáramú fékröl beszélünk.
A leadott teljesítmény mérése a gyakorlatban valóban a fenti elvek szerint történik. Minden fékkel történö teljesítménymérés során a gép leadott teljesítménye hövé alakul és veszendöbe megy, a féket hüteni kell. Olyan helyeken, ahol rendszeresen nagyteljesítményü gépek fékezéses mérése történik, a keletkezö hulladékhö hasznosítására a helyi viszonyoktól függöen gondolni kell (pl.: melegvíz elöállítás).
Az erögépek döntö többsége forgó mozgás alakjában szolgáltatja a mechanikai munkát. Az erögép teljesítménye az un. fötengelyen jelentkezik forgó mozgás formájában. Ahhoz, hogy ezt a teljesítmény egy munkagép hajtására felhasználhassuk, az erögép tengelyét össze kell kapcsolnunk a munkagép tengelyével. További probléma lehet, hogy az erögép fordulatszáma vagy nyomatéka nincs összhangban a munkagép jellemzöivel, valamint az erögép több munkagépet hajt.
A fordulatszám és a nyomaték módosítása, ill. a mozgás jellegének megváltoztatása a közlömüvekre hárul. A következökben ismerkedjünk meg a legalapvetöbb mechanikai közlömüvekkel.
a) A legegyszerübb közlömü lényegében két tárcsából áll, amelyek közül az egyik az erögép, a másik a munkagép tengelyére van ékelve (1.23. ábra).
|
1.23.ábra |
A mechanikai munka
a két tárcsa között keletkezö súrlódási erö közvetítésével kerül át.
Ezért ezt dörzshajtásnak is nevezzük. A két kerék átméröje nem azonos.
Vizsgáljuk meg, hogyan alakul a munkagép tengelyének fordulatszáma. Az 1.
jelü kerék kerületi pontjainak sebessége: ![]()
Ha feltételezzük, hogy a két kerék egymáson csúszásmentesen gördül le, akkor a kerületi sebességeknek meg kell egyezniük. Ezt a feltételezést elsö közelítésben megtehetjük, hiszen célunk az, hogy a munkagép tengelyére ékelt kerék mozgása kövesse a hajtó kerék mozgását.
![]()
Az egyszerüsítések után:
tehát a tárcsaátmérök viszonya fordított arányban áll a fordulatszámok viszonyával. Ezt a viszonyszámot módosításnak nevezzük, és i betüvel jelöljük. A szögsebességekkel is kifejezhetö az áttétel. Az 1.23. ábrán vázolt dörzshajtás esetén a fordulatszám i-szeresére csökkent, azaz a gép forgása lelassult.
Az 1. tengelyen jelentkezö P1 teljesítmény
![]()
Ez a teljesítmény a súrlódási erö révén adódik át a 2. tengelyre. Ez a súrlódási erö, mint kerületi erö jelentkezik az 1. tengelyre ékelt tárcsán.
F1-nek a súrlódási erövel kell megegyeznie a csúszásmentes legördülés esetén, de akkor F2 is egyenlö ezekkel az erökkel:
A 2. keréken jelentkezö teljesítmény:
![]()
Ezek szerint:
ahonnan

Csúszásmentes legördülés esetén az áttétel a nyomatékok viszonyával is kifejezhetö, tehát itt az M1 nyomaték i-szeresére növekedett. Feltételeztük, hogy a két tengelyen lévö teljesítmény megegyezik, ezáltal a gép üzeme egyenletes, hiszen a munkasebesség állandó.
Az 1.23.ábrán látható, hogy az adott kerületi erö átviteléhez szükséges súrlódási erö létrehozásához

|
1.24.ábra |
nagyságú, a két tárcsát összeszorító erö szükséges. Ez az erö igen nagy is lehet, olyannyira, hogy ilyen módon a hajtás nem oldható meg. Éppen ezért az ilyen hajtást csak kis teljesítményeknél használjuk
b) Az 1.24.ábrán egy szíjhajtás látható. Lényege, hogy a hajtó ill. a hajtott tengelyekre ékelt tárcsákon hajlékony vontatóelemet, szíjat vetettünk át.
Súrlódási eröt akkor kapunk, ha a szíj mindkét ágát megfeszítjük FN erövel. Ezáltal a szíj két ágában két különbözö erö keletkezik. A feszes ágban, amely maga után vonja a 2. tárcsát, T1 erö, a laza ágban T0 erö keletkezik. Ezáltal:
A 2. tengelyt terhelö M nyomaték legyözése csak úgy lehetséges, ha a feszes ágban lévö T1 erö T0-hoz képest annyira megnövekszik, hogy a nyomaték egyensúlya beállhasson. Tehát:
Az átvitt kerületi erö:
![]()
Az 1. tengelyre ékelt tárcsára is felírható, hogy:
![]()
A szíjhajtás áttétele csúszásmentes esetben az alábbi egyenletböl kifejezhetö:
![]()
Tehát:

Az áttétel a nyomatékok viszonyával is kifejezhetö:

![]()
A tengelyt terhelö erö úgy határozható meg, ha ismerjük a T1-T0 viszonyát, ami a gyakorlatban:
Ezt a viszonyt feszültségi viszonynak is nevezzük. Ilyen esetben a megcsúszás, ami a gyakorlatban mindig van, minimális értéken tartható.
Kötélhajtás esetén:
![]()
Az eddig tárgyalt eseteket súrlódó-hajtásoknak is nevezzük. Hátrányuk, hogy megcsúszás mindig van, és a tengelyeket merölegesen terhelö erö szükséges a kapcsolathoz.
c) Az 1.25.ábrán fogazott kerekek kapcsolódása látható. Általában evolvens fogprofilt használnak, így ugyanis a két kerék elvileg csúszásmentesen gördül le egymáson. Mindenkor igaz, hogy:
![]()
|
1.25.ábra |
A d1 és a d2 átmérö nem a külsö átméröje a fogaskeréknek, hanem az un. osztókör átmérö, melyen a kapcsolat létrejön. Számításainkban ezt használjuk.
A módosítás a fogszámok viszonyával is kifejezhetö:
![]()
(t = fogosztás)

d) Lánchajtás: Két fogazott lánckerékböl, és a rajtuk átvetett, szemekböl kialakított, végtelenített láncból áll. A lánc egyes szemei illeszkednek a lánckerék fogaira. Csúszásmentes kapcsolat valósítható meg lánchajtással. A módosítás a lánckerekek fogszámainak viszonyával fejezhetö ki.
Fogaskerék és lánchajtás esetén a tengelyekre merölegesen kifejtett lényegesen kisebb, hiszen a mozgás átvitele nem súrlódás révén történik, hanem merev kapcsolattal. A surlód hajtásokat alárendelt esetben alkalmazzák, ill., olyankor, ha a megcsúszás nem zavaró, söt még kívánatos is, hogy a hajtómü ne legyen túlterhelhetö, ugyanis adott feszítés esetén egy bizonyos teljesítménynél nagyobbat nem lehet vele átadni. Kis tengelytávnál a dörzskerékpár, nagy tengelytávnál a szíjhajtás alkalmazható. A szíj anyagától függöen gumi-, bör-, müanyagszíj hajtásról beszélünk. A szíj keresztmetszetétöl függöen lapos vagy ékszíjhajtásról beszélünk.
Fogaskerék- és lánchajtást alkalmazunk abban az esetben ha a megcsúszás nem kívánatos, valamint, ha az átviendö teljesítmény nagyon nagy.
Alapvetö fontosságú szerkezet, mely hivatott a mechanikai munka átvitelére, a fordulatszám és nyomaték módosítására.
|
1.26.ábra |
Szerkezete: hegesztett acél vagy öntöttvas (esetleg Al.) házban elhelyezkedö egy vagy több, egymással kapcsolódó fogaskerékböl áll. A fogaskerék-párok számát az eredö módosítás határozza meg. Egy fogaskerék-hajtómü vázlatos rajzát mutatja a 1.26.ábra. Az erögép az I. tengelyen adja be a teljesítményt a hajtómübe, amelyböl a munkagép a II. tengelyen át kapja ugyanezt a teljesítményt, ha a veszteséget figyelmen kívül hagyjuk.
Tehát:
![]()
![]()
(iÖ = eredö módosítás)
A fordulatszám változása:
Az eredö módosítás a részmódosítások szorzatával egyezik meg. Az eredö módosítást tetszés szerint oszthatjuk fel, szem elött tartva, hogy egy fogaskerékpár esetén max. 5-7 legyen a módosítás, és lehetöleg kevés legyen a fokozatok száma. Ún. homlokfogazású kerekekböl három fokozatnál többet nem szoktak alkalmazni egy hajtómüben. Ha ez nem lenne elég, akkor csigakerekes hajtást alkalmaznak, amely egy csigából és ennek tengelyére kitéröen, de merölegesen elhelyezkedö csigakerékböl áll. A fogazatok speciális kialakításúak.
Módosítás: Ha a csiga egy bekezdésü, akkor egy fordulattal a csigakerék egy fognyi elfordulást végez.
Tehát a csigának z-szer kell körülfordulnia ahhoz, hogy a csigakerék 1-szer körülforduljon. (csigakerék fogainak száma: z) Ezért:
A csiga lehet 2 vagy 3 bekezdésü is:
ill. ![]()
Ilyen esetben a módosítás 200-300 is lehet.
A csigakerekes hajtás egyirányú, ami azt jelenti, hogy csak a csiga hajthatja a csigakereket, mert a szerkezet önzáró. A nagy súrlódás miatt hö keletkezik, amelyet bö olajozással, esetleg az olaj hütésével lehet elvezetni. A hajtás legföbb hátránya a nagy fogsúrlódás miatti alacsony hatásfok.
A fogaskerék-hajtómüvek kialakításuk, áttételük szerint igen sokfélék lehetnek. Egyes típusok a gyártó cég katalógusából kiválaszthatók.
Az eddigiekben feltételeztük hogy veszteségek nem lépnek fel. Ez a valóságban nincs így. A gépek üzemét mindig kisebb-nagyobb veszteségek kísérik, melyeket az üzemeltetés során fedeznünk kell, azaz a gép által végzett hasznos munkánál több, mégpedig a veszteségek értékével több munkát kell a gépbe bevezetnünk.
Már megismerkedtünk a súrlódással és a gördülö ellenállással, amelyek mindig fellépnek, amennyiben két érintkezö alkatrész egymáshoz képest elmozdul. Pl: csapágyak, dugattyúk, stb. A veszteségek igen jelentös részét a súrlódási veszteségek jelentik. Pl. a hajtómübe érkezö teljesítmény egy része a tengelyek csapágyazásain fellépö súrlódás fedezésére fordítódik, továbbá a kapcsolódó fogaskerekek a valóságban csúsznak egymáson, ami további teljesítményveszteséget jelent. Tehát a kimenö teljesítmény a bemenö teljesítménynek csak egy része lehet. A veszteség hövé alakul és a környezetnek adódik át.
Létezik súrlódás folyadékokban és gázokban is, valamint ezen közegek és a határoló szerkezetek között is. Mindez szintén teljesítményveszteséget jelent, ami itt is hövé alakul, és számunkra haszontalanná válik.
Veszteségek azonban nemcsak a súrlódás következtében léphetnek fel. Vegyük pl. a súrlódó hajtásokat. Ezeknél a súrlódási erö kifejezetten hasznos, hiszen ennek segítségével valósítjuk meg a hajtást. Itt a veszteség a megcsúszás vagy slip. Tehát a hajtott tárcsa kerületi sebessége elmarad a hajtó tárcsa kerületi sebességével (V1-hajtó):

![]()
![]()
A hajtott tárcsa tengelyén a hajtó teljesítménynek éppen (1-s)-szerese vehetö le. A veszteség, mint hö a környezetnek adódik át. A veszteségnek számos más fajtája létezik. Sok esetben igen nehéz meghatározni, hogy mekkora veszteség keletkezik.
Vezessünk be a h tényezöt, amit hatásfoknak nevezünk

A hatásfok a hasznos teljesítmény és a bevezetett összes teljesítmény hányadosa. Ez a viszonyszám jellemzö lesz a gép üzemére. Értéke minden esetben kisebb mint egy, a veszteségek miatt. A hatásfokot százalékban is meg lehet adni, így a max. értéke 100%.
Mindezt általánosíthatjuk minden gépre.
![]()
Ezen munkák, teljesítmények jól mérhetök, ill. kiszámíthatók. A hatásfok ismeretében számítani tudjuk a veszteséget. Ennek az egyszerüsítésnek az a hátránya, hogy a veszteségek keletkezéséröl semmit nem mond, ennek következtében arról sem, hogyan lehetséges a veszteségek csökkentése, egyáltalán lehetséges-e a csökkentés. A hatásfok lehetöséget nyújt arra, hogy vele a gép jóságát megítéljük, veszteségeit kiszámítsuk, de mindemellett nem nélkülözhetjük annak átgondolását, hol és minek következtében keletkeznek a veszteségek.
|
1.27.ábra |
Az 1.27. ábra egy gépláncot ábrázol, amely erögépböl (E), közlömüböl (K), és egy munkagépböl (M) áll. A bevezetett teljesítmény lehet villamos teljesítmény, vagy üzemanyag által képviselt energia, ill. teljesítmény. Ennek hE-szerese lép ki a gépböl, ahol hE az erögép hatásfoka, így
![]()
A közlömü módosítja a fordulatszámot és a nyomatékot. Veszteség itt is fellép.
A közlömüböl kilépö teljesítmény:
![]()
A munkagép a közlömü felöl érkezö teljesítményt hasznos munkává alakítja, de csak részben, így
![]()
Természetesen felírhatjuk a hatásfokkal az egyes veszteségeket is.
Nyilvánvaló, hogy az erögép vesztesége:
![]()
Hasonlóképpen
![]()
Az 1.27. ábrán vázolt elvi szerkezet összhatásfoka:

A hasznos teljesítmény :
![]()
Behelyettesítve a veszteségteljesítményeket:
![]()
Tudjuk, hogy
![]()
valamint
![]()
Tehát
![]()
A zárójeleket felbontva, az összevonásokat elvégezve:
Az összhatásfok a részhatásfokok szorzata:
A terhet emelö
vagy vontató hajlékony vonóelem (pl. kötél) mozgatására szolgáló szerkezeti
egységet csörlönek nevezzük. A csörlök általában a kötél
felcsévélésére szolgáló kötéldobból, hajtásból és a közöttük elhelyezett áttételekböl,
valamint a fékböl állnak. Kivitelük szerint igen különbözöek
lehetnek, attól függöen, hogy a csörlöt milyen célra használják.
(építési-, vontató-, hajócsörlö.) A csörlök kötélcsigasorral vannak
kiegészítve.
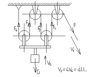
Az 1.28. ábra 4 kötélágas teherfelfüggesztést szemléltet.
![]()
|
1.28.ábra |
Az emeléshez szükséges erö a teher negyedrésze, az emelöerö sebessége a szükséges emelkedési sebesség négyszerese. (Veszteségmentes esetben)
Ha feltételezzük a súrlódás létét a csigák tengelyeinél, akkor a csigára felfutó ill. arról lefutó kötélben ható erö nem azonos. Vegyük szemügyre az 1.28. ábrát.
A fentiek szerint:
és
Bevezetünk egy jellemzöt (d<1, a csigák csapágyazásainak jósága):
![]()
Ha minden csapágyazás azonos, akkor:
![]()
![]()
![]()
![]()
Ez egy mértani sorozat, melynek az összege a G súly
![]()
A mértani sor összegére vonatkozó matematikai összefüggés alkalmazásával
i db csiga
esetén
(az ábra elrendezésével!)
![]()
Tehát általában
![]()
hacsak a csapágyazás nem kifogástalan.
Mivel d =1 nem helyettesíthetö az összefüggésbe, hiszen a nevezö zérussá válna, eredményünk helyességét csak a határérték-számítás törvényeinek segítségével ellenörizhetjük.
Feltételezzük, hogy a kötél nyújthatatlan, akkor a szerkezet kinematikája nem változik meg,
tehát az ábra szerint
![]()
A teher által elfogyasztott teljesítmény:
![]()
A teher emeléséhez felhasznált teljesítmény:
![]()
A kettö hányadosa a csigasor keresett hatásfoka:

Az így kapott hatásfok egy csigasorral kiegészített csörlös szerkezet összhatásfokának csak egyik részhatásfoka. A példa óva int attól, hogy nem hatásfok értelmü mennyiséget hatásfokként kezeljünk. Gondoljunk a s jellemzöre, amit ha hatásfoknak neveztünk volna, akkor az összhatásfok a részhatásfokok szorzata lenne, ami itt teljesen hamis eredményt adott volna.
Kézi meghajtású csörlö jellegzetes példája az ún. építöipari csörlö, mely nevét onnan nyert, hogy az ilyen és ehhez hasonló kialakítású csörlöket építöipari szereléseknél alkalmazzák általában. A szokásos teherbírás 2-50 kN között változik, kötélcsigasorral kiegészítve, ennél nagyobb terhek emelésére is alkalmas.
Kézihajtású építöipari csörlöt látunk az 1.29. ábrán. A csörlö két fogaskerékböl áll.
Föbb részei: a dob (p), a kézi forgattyúkar (c) és a kettö közé beépített változtatható fogaskerék áttétel, mely a (e), (f), (g), (l) fogaskerekekböl áll. Az áttétel olyan módon változtatható, hogy a forgattyúkar tengelyén lévö (l) fogaskerék elcsúsztatható a tengely mentén, így a hajtás a (e) fogaskerékre jut, majd a vele közös tengelyen lévö (f) fogaskeréken át a dobbal közös tengelyre ékelt (g) fogaskerékre és így a dob tengelyére; vagy pedig a (l) fogaskerékröl közvetlenül a (g) fogaskerékre és így a dob tengelyére.
Az elsö eset súlyosabb terhek emelésekor használatos (nagy áttétel), a második esetben kisebb terhek emelhetök (kisebb áttétel, nagyobb emelési sebesség). A (l) és (f) fogaskerekek tengelyét elötéttengelynek nevezzük. Az elötét tengellyel kapcsolatban meg kell jegyeznünk, hogy erre a tengelyre van ékelve a fékkorong, amelynek kerületére fekszik fel a fékszalag, melyet tehersüllyesztéskor a fékkar lenyomásával a fékkoronghoz szorítanak, így fékezve a teher süllyedését. (Ilyenkor a (l) fogaskerék a (e) és (f) fogaskerekek között áll, hogy a süllyedö teher ne forgassa a hajtókart !)
|
1.29.ábra |
A csörlö fel van szerelve rögzítö-fékkel, aminek segítségével a teher függö helyzetben rögzíthetö. A csörlönek van olyan kialakítása is, amikor a hajtókar tengelyének másik végén is elhelyeznek egy hajtókart, miáltal két munkás hajthatja a csörlöt.
Röviden vizsgáljuk meg a csörlö müködését. Ha az egyes fogaskerekek fogszáma z3, z4, z5, z6, úgy az áttételek:
és 
Ha minden fogaskerék be van kapcsolva, akkor az összmódosítás:
.
Kisebb terhek emelésekor az elötéttengely kiiktatása miatt a módosítás:
.
Ha a munkás a hajtókar végén F eröt fejt ki, és a hajtókar hossza k, úgy a nyomaték a hajtókar tengelyén:
(Nm).
Ha hajtókar fordulatszáma nk, akkor a teljesítmény:
(W),
A módosítás következtében a dobtengely fordulatszáma:
,
ahol i az összmódosítás, amely a fentiek
szerint kétféle lehet. Ha becslés alapján a hatásfok
, ami összetevödik a csapágyazások és a kapcsolódások
hatásfokaiból, akkor a teheremelésre fordított teljesítmény a dob tengelyén:
(W).
Ezek után meghatározható a dobátmérö (d) ismeretében az emelt teher súlya és a teheremelés sebessége:
(N), illetve

A kézi hajtású csörlövel kapcsolatban néhány fontos dolgot figyelembe kell vennünk. Mivel a csörlö karját ember forgatja, annak kialakítása nem lehet akármilyen.
Különbözö vizsgálatok alapján megállapították, hogy a forgattyúkar hossza akkor ideális, ha:
k = 30.........40 (cm).
A forgattyúkar fordulatszámát sem vehetjük fel tetszés szerint. Ugyancsak megállapították, hogy tartós üzem esetén:
|
1.30.ábra |
(ford./min.)
fordulatszám vehetö számításba. A hajtókar végén kifejtett eröre vonatkozóan, ugyancsak tartós üzem esetére:
(N)
számítható. Ezen értékkel a hajtóteljesítmény értéke durva közelítéssel:
(W)
nagyságúnak tekinthetö.
A kézi hajtást nagyobb terhek emelésére csak szükségmegoldásnak lehet tekinteni, mint a fenti adatokból is kitünik. Az erösen korlátozott teljesítmény és az igen alacsony emelési sebesség, továbbá az emberi munkaerö viszonylag magas költségei miatt.
Ezen hátrányok kiküszöbölésére alkalmazzák a villamos hajtású kötélcsörlöket. Az 1.30.ábra egy egyszerü felépítésü, könnyen áthelyezhetö villamos kötélcsörlöt mutat. A kötélcsörlö ugyanazon szerkezeti elemekböl, tehát hajtásból (villamos motor), áttételekböl (fogaskerék-hajtómü) és kötéldobból, valamint fékszerkezetböl áll.
Villamos hajtású kötélcsörlö tervezésekor adott a teherbírás (G) és az emelési sebesség
(v), melyek segítségével az emelési teljesítmény meghatározható:
(W).
Ha meg tudjuk
becsülni tapasztalati adatok alapján a gép hatásfokát (
), akkor meg tudjuk határozni a kötélcsörlö hajtásához
szükséges villamosmotor teljesítményét:
(W).
Mivel a villamosmotorok fordulatszáma meglehetösen kötött értékeket vehet csak fel, és egy adott teljesítményü motor megválasztásával adott a fordulatszám is (nm), így meghatározhatjuk a fogaskerék-hajtómü összmódosítását a dobtengely és a motortengely fordulatszámának viszonyából:
.
A dobtengely fordulatszáma az emelési sebesség és a dob átméröjének ismeretében:
(ford./min.).
Meg kell jegyeznünk, hogy mind a kézi, mind a villamos meghajtású kötélcsörlö esetén alkalmazható több kötélágas teherfelfüggesztés is (lásd a 2.4. fejezetben). Ilyenkor a dob kerületi sebessége nem egyezik meg az emelési sebességgel, hanem két kötélágas felfüggesztés esetén annak kétszerese négy kötélágas felfüggesztés esetén pedig négyszerese stb. Ez azonban mit sem változtat a teljesítmény kiszámítására adott összefüggésünkön.
Ha ismerjük a fogaskerék-hajtómü módosítását, az már felbontható a kapcsolódó fogaskerékpárok módosításaira, a fogaskerék-hajtómüvekröl korábban mondottak szerint (1.2.6.1. fejezet ), illetve választható a fogaskerék-hajtómü az összmódosítás és a teljesítmény ismeretében katalógusból is.
Kézi hajtású és villamos hajtású kötélcsörlök helyett egyre növekvö mértékben alkalmaznak villamos emelödobot. A villamos emelödob olyan emelöszerkezet, amelynél az emelömotor, a fogaskerék-módosítások, a kötéldob és a fékszerkezet zárt egységet képez. Az 1.31.ábra egy ilyen villamos emelödobot szemléltet. Az emelödob minden része lemezburkolattal van ellátva.
Mint látható, az emelödob szerkezeti egységei megegyeznek a villamos kötélcsörlö szerkezeti egységeivel, mindössze kivitelükben különböznek attól. Ennek következtében a szükséges számítások a villamos kötélcsörlönél elmondottak szerint végezhetök el.
A villamos emelödob fö elönyei: kis helyszükséglet, védett, zárt kivitel, kis önsúly, egyszerü kezelés és karbantartás. Felhasználásuk igen széles körü, így sorozatban gyártják.
A leggyakoribb alkalmazását mutatja az 1.32.ábra, mely egy I tartón alulfutó villamos emelödobot mutat. Az emelödob irányítása a lelógó kábelek végén elhelyezett nyomógombokkal lehetséges. Az ábrázolt emelödob fel van szerelve villamos továbbítómüvel, melynek müködtetése az emelödobéhoz hasonlóan lehetséges. A villamos továbbítómü villamosmotorból és fogaskerék-hajtómüböl áll, melyek a kis helyfoglalás érdekében szorosan össze vannak építve.
Meg kívánjuk itt jegyezni - bár részletesebben nem foglalkozunk velük -, hogy minden daru emelömüve alapvetöen a már ismert szerkezeti egységekböl épül fel, azaz hajtómotorból, fogaskerék-hajtómüböl, kötéldobból és fékszerkezetböl. A fékszerkezetröl csak annyit, hogy a kézi hajtású kötélcsörlö kivételével - ahol az is kézi müködésü - minden esetben elektromágnes üzemelteti a következö módon. Az emelömü bekapcsolásakor az elektromágnes meglazítja a fékezö szerepet betöltö, tárcsán átvetett szalagot, így lehetövé teszi a dob megindulását.
Az áram megszakításakor vagy esetleges megszakadásakor az elektromágnes "elenged" és megfeszíti a szalagot, mely súrlódás révén megállítja a dob forgását. A féktárcsát az esetek többségében a legnagyobb fordulatszámú tengelyen helyezik el, hiszen itt szükséges a legkisebb fékezö nyomaték a szerkezet megállításához.
|
1.31.ábra |
|
1.32.ábra |
A felvonó olyan emelögép, mely függöleges pályán két vagy több állomás között idöszakosan vagy folyamatosan fel- le közlekedve rögzített vezetösíneken mozgatott járószékben szállít személyeket vagy terhet. A hajtógép terhelésének csökkentése céljából a járószék és a hasznos teher súlyának egy részét ellensúly egyenlíti ki. Az ellensúly a felvonó-berendezés egyik jellegzetes eleme. Attól függöen, hogy a hajtó gép alul vagy felül helyezkedik el, alsó-, ill. felsögépházas felvonóról beszélünk (1.33. ábra).
|
1.33.ábra |
Vizsgáljuk meg az ellensúly szerepét az 1.34. ábrán vázolt elvi elrendezés esetén. G-vel jelöltük a járószék és a hasznos teher összes súlyát, Ge-vel az ellensúlyt. A dobtengelyre kifejtett két nyomaték ellentétes irányú, azaz az ellensúly - nagyságától függöen - bizonyos mértékig kiegyensúlyozza a járószéket és a hasznos terhet. Amennyiben
G = Ge
|
|
úgy teljes kiegyensúlyozásról beszélünk, ilyenkor tehát a hajtómotornak pusztán a súrlódási veszteségek által felemésztett munkát kell befektetnie. Általában az ellensúly a járószék súlyán felül a hasznos teher felét egyensúlyozza ki, mert a hasznos teher változó nagyságú. A felvonógépnek tehát két - Kötélhúzással átvitt- kerületi erö különbségével arányos munkát kell végeznie, ez az erö pedig lényegesen kisebb kötélerök bármelyikénél. Ezzel szemben viszont a kötelek igénybevétele és a kötélvezetés ellenállása mindkét oldalon a teljes kötélhúzással arányos.
Elvileg tehát
(Nm)
nyomaték szükséges a dob tengelyén. A dob fordulatszámának ismeretében, ami az emelési sebességböl (v) kiszámítható
(W)
a teheremelésre fordított teljesítmény.
Ha a gép hatásfokát
ismerjük, úgy a motor
teljesítménye
(W).
Ezzel a hatásfokkal azonban csak magának a gépnek a veszteségeit vettük figyelembe. Nézzük meg, hogyan változnak a viszonyok, ha számításba vesszük a járószék és az ellensúly vezetékeiben ébredö súrlódások hatását is. Mint említettük, ezek a veszteségek a teljes kötélhúzással arányosak, ami azt jelenti, hogy felfelé haladó járószék esetén a járószék oldalán a kötélhúzás nem G, hanem annál nagyobb, éppen a súrlódási erö (FsG) értékével, azaz
.
Tapasztalat alapján
a kötélfeszesség kb.
-a eredményezi az FsG értékét, amelynél a
tényezö az akna
veszteségi tényezöje, amivel
(N),
tehát a kötélerö
(N)
a járószék oldalán.
Az ellensúly oldalán a súrlódási erö (Fse) lazítja a kötelet, tehát a kötélerö az akna veszteségi tényezöit felhasználva
(N).
Meg kell jegyeznünk, hogy az ellensúly oldalán, az ellensúly vezetékében a veszteségi tényezö nagyobb, mint a járószék aknájában, mivel itt a kenés mindig tökéletlenebb.
A két kötélhúzás különbsége
(N)
a nyomaték pedig
(Nm)
másként írva
(Nm),
amiböl világosan kitünik, hogy lényegesen nagyobb nyomaték terheli a dob tengelyét, mint ezen veszteségek figyelembevétele nélkül, hiszen
![]()
tetemes nagyságú erö, és ennek 5-10%-a elegendö ahhoz, hogy a kerületi erö 2-3- szorosára, és ezzel a nyomaték is 2-3- szorosára növekedjék. A teljesítmény arányos növekedése következtében, összevetve az elméleti értékkel (P) magyarázatot ad a felvonó-berendezések igen alacsony 25-30%- os hatásfokára. Ha figyelembe vesszük a felvonógép összhatásfokát is, a gazdasági hatásfok

|
1.35.ábra |
Az ellensúly alkalmazásának más területe például a kétvágányú siklópálya (1.35. ábra), amit a bányászatban alkalmaznak. Itt az ellensúly szerepét az üresen lefelé haladó kocsi tölti be. Hasonlóan a felvonóhoz, itt is két kötélhúzás különbségének megfelelö kerületi eröböl származó nyomaték terheli a dob tengelyét. A számítások a lejtös pályán történö vontatásról elmondottaknak megfelelöen végezhetök el (lásd 2.3. fejezet). Természetesen nemcsak felfelé, hanem lefelé történö anyagszállításra is berendezhetö a siklópálya.
A gép veszteségeit és hatásfokát rendszerint a teljes terhelésre, vagyis arra teljesítményre szokás vonatkoztatni, amelyet a méretezés alapjául kijelöltünk. Ennek a hatásfoknak - mint üzemi jellemzönek - a jelentösége csak akkor domborodik ki, ha a gép valóban teljes terheléssel üzemel. A gépek azonban nemcsak teljes terheléssel, hanem bizonyos ideig annál kisebb terheléssel vagy éppen terheletlenül járnak. Ez utóbbi esetet nevezzük üresjárásnak. Ilyenkor hasznos munkavégzés nincs, a gép csak annyi munkát végez, amennyi a terheletlen gép saját veszteségeinek pótlására elegendö. Nyilvánvaló, hogy üresjárásnál a gép hatásfoka zérus, mivel hasznos munkavégzés nincs, de a gép energiát fogyaszt. Nyilvánvaló ezek után az is , hogy az üresjárat és a teljes terhelés között a hatásfok nem maradhat állandó, hiszen

ahol a
![]()
tört értéke minden terhelési pontban más értéket ad.
A hatásfok mellett a gép üzemének jellemzésére szolgál még a veszteség tényezö (jele: g) is, ami a pillanatnyi veszteségek és az összes bevezetett teljesítmény viszonyát adja. Azaz

Természetesen értéke mindig kisebb mint egy, és a hatásfokkal a következö módon áll kapcsolatban:

ahonnan
g h
Az egyenletböl következik az is, hogy a hatásfokhoz hasonlóan a veszteségi tényezö sem lehet állandó a terhelés változása közben. Üresjárásnál értéke éppen egy, hiszen ekkor a hatásfok zérus.
A viszonyok szabatosabb megítéléséhez a veszteségek jellegét kell tüzetesebben megvizsgálnunk.
A gépek veszteségei két nagy csoportba sorolhatók: állandó és változó veszteségek (a terhelés függvényében). Állandó veszteség egy közlömü csapsúrlódása, ha a terheléstöl független erök ébresztik. Ilyenek például a súlyerök, de ilyen két szíjhúzás összege a szíjhajtásnál. A feszes és a laza ágban levö erök ugyan változnak, de összegük - ami a csapágyazást terheli - gyakorlatilag állandó, egyenlö az elöfeszítö erövel.
A változó veszteségek három csoportba sorolhatók, attól függöen, hogy a változás jellege a terhelés függvényében milyen:
- a változás lineáris, pl. a mechanikai elven müködö gépeknél és höerögépeknél;
- a változás másodfokú parabola szerint történik, pl. a villamos gépeknél
- a változás harmadfokú függvénnyel írható le, pl. léggépek, vízgépek.
Mindezek számítások és mérések útján is megállapíthatók, igazolásukra nem térünk ki.
Miután a veszteségek fajtáit tisztáztuk, próbáljuk megállapítani, hogyan változik a hatásfok értéke adott esetekben.
Legelöször vizsgáljunk meg egy olyan gépet, melynek csak állandó veszteségei vannak, pl. mechanikus közlömü. Az 1.36. ábrán egy olyan koordinátarendszert vettünk fel, melynek vízszintes tengelyére a hasznos teljesítményt, függöleges tengelyére pedig az összes teljesítményt vittük fel. A hasznos teljesítmény zérustól P1 maximális teljesítményig változik. A hasznos teljesítmény változását egy 45o-os egyenes jellemzi, mely az origóból indul ki. A hasznos teljesítmény zérus értékénél (üresjárás) az összes teljesítmény éppen Pvo üresjárási teljesítmény. Mivel kikötöttük, hogy a gépnek csak állandó veszteségei vannak, ezért minden hasznos teljesítményértékhez ugyanakkora Pvo metszéket kell hozzáadnunk. Tehát a Pö = f(Ph) függvény képe szintén egyenes lesz, mégpedig 45o-os egyenes, mely a Pvo értékröl indul.
Hogyan változik a hatásfok ?
Az ábrán bejelölt a szög tangense:

a görbe bármely pontjánál, azaz éppen a hatásfokkal egyezik meg:

A hatásfok tehát az a szög tangensével változik, azaz P1 teljesítményhez közeledve a hatásfok egyre növekszik a növekedése miatt. Elöbb meredekebben nö a hatásfok, késöbb egyre csökkenö mértékben. Az ilyen gép tehát annál jobb hatásfokkal müködik, minél nagyobb a terhelés, minél jobban megközelítjük a P1 maximális terhelés értékét. Esetleges túlterhelés (a megengedett mértékig) további hatásfok javulást eredményez.
|
|
Hasonló megállapítást tehetünk, ha csak a veszteségek változását szemléljük, mégpedig a terhelés függvényében, melyet egy x változóval jelöltünk

ahol P1 a maximális hasznos teljesítmény, Ph pedig az aktuális hasznos teljesítmény. Így az x változik zérustól 1-ig. Ez a diagram is az 1.36. ábrán található. A bejelölt b szög tangense

Ha ezt összevetjük a hatásfokra felírt összefüggésünkkel

akkor:
![]()
A tört értéke és ezzel a hatásfok növekszik, ha a nevezö azaz tg b csökken, ami b csökkenésével bekövetkezik. Ha a különbözö terhelési pontokhoz tartozó veszteségeket ábrázoló pontokat összekötjük az origóval, eredményül azt kapjuk, hogy tg b egyre csökken, tehát a hatásfok javul, ahogy közeledünk az x = 1 pont által reprezentált teljes terheléshez. Ez a megállapítás teljes összhangban van korábbi eredményünkkel.
Ha az itt elmondottak alapján mechanikus elven müködö gépekre is felrajzoljuk a két diagramot, az 1.37. ábrán látható képet nyerjük.
Mint korábban mondottuk, az ilyen gépek üzemét állandó és lineárisan változó veszteségek is terhelik. Az ábrán sürün vonalkázott rész a változó veszteségek alakulását szemlélteti.
Figyelemmel arra, hogy
h = tg a
valamint, hogy
![]()
mindkét ábra alapján megállapíthatjuk, hogy a terhelés növekedésével a ill. b értéke növekszik, ill. csökken, azaz a hatásfok a terhelés függvényében egyre javul, bár kisebb mértékben, mint a csak állandó veszteséggel üzemelö gépek esetén.
Villamos gépek esetén a változó veszteségek a terhelés függvényében négyzetesen változnak. Megrajzolva a diagramokat, az 1.38. ábrát nyerjük. Figyelemmel kísérve a ill. b változását, szemléletesen beláthatjuk, hogy a elöbb növekszik, majd egy bizonyos érték elérése után csökken. Tehát a hatásfok is csak egy bizonyos értékig javul (maximuma van), majd csökkeni kezd. Ez a maximum geometriailag ott helyezkedik el, ahová az origóból érintöt húzhatunk a Pö = f(Ph) görbéhez.
|
1.37.ábra |
Hasonló következtetésre juthatunk a veszteségteljesítmény változását szemléltetö diagram vizsgálata alapján is. Itt azonban b elöbb csökken, majd növekedni kezd. b értékének minimuma, ahol a hatásfok maximális, a fent leírtak szerint könnyen kijelölhetö.
A hatásfokgörbe alakja rendkívül kedvezö. "Lapos háta" miatt viszonylag széles tartományban (nagy terhelésingadozás) nagyjából azonos hatásfokkal müködik a villamos gép.
A víz- és léggépekre vonatkozóan nem rajzoltuk meg a diagramokat, ugyanis alig térnek el a villamos gépekre megrajzoltaktól. A változó veszteségek harmadik hatvány szerinti növekedése miatt itt is lesz hatásfok maximum, de utána a hatásfok-görbe meredekebben esik, mint a villamos gépeké.
|
|
Meg kívánjuk itt jegyezni, hogy villamos gépek esetén a hatásfok maximuma ott van, ahol a villamos gép állandó és változó veszteségei éppen egyenlök. Ez a hatásfok-maximum víz- és léggépek esetében ott helyezkedik el, ahol a változó veszteségek éppen az állandó veszteségek felét teszik ki.
Ennek bizonyítására: a veszteségteljesítmény görbéje általánosságban
![]()
ahol Pv0 az üresjárati veszteség, Pv1 pedig a teljes terhelésnél érvényes veszteség. Az

összefüggésbe behelyettesítve és Ph helyébe
![]()
összefüggést írva, hiszen bármely terhelési pontban így kaphatjuk meg a hasznos teljesítményt a maximális hasznos teljesítményböl.

ahol mi a

minimumát keressük.
Deriválva a fenti kifejezést:

ami akkor zérus, ha a számláló zérus, tehát
n . Pv1 . xn-1. x . P1 -P1 . (Pv0+Pv1 . xn ) =0
Egyszerüsítések és összevonások után
Pv1 . xn. (n-1)=Pv0
ahol Pv1 . xn éppen a változó veszteség nagysága a keresett terhelési pontban, azaz

Az eredményül kapott összefüggésben n értéke vagy 2 vagy 3, attól függöen, hogy az adott gépnél a veszteségek hogyan változnak, négyzetesen, vagy köbösen. Ha n = 2, úgy villamos gépröl van szó, és valóban igaz, amit korábban állítottunk, azaz hogy a hatásfok maximuma ilyenkor ott van, ahol a változó és az állandó veszteségek egymással egyenlök.
A víz- és léggépek maximális hatásfokának helyéröl mondottak az összefüggés segítségével könnyen ellenörizhetök.
Az erögép fajlagos fogyasztása alatt értjük azt a mutatót, mely megadja, hogy az erögép idöegység alatt elfogyasztott üzemanyag-mennyisége és a gép hasznos teljesítménye hogyan viszonylik egymáshoz, azaz
![]()
Ahol tehát Bt (kg/h) az idöegység alatt elfogyasztott üzemanyag és Ph (kW) a hasznos teljesítmény. Természetesen számos más mértékegységben is megadhatjuk a fajlagos fogyasztás értékét. Szokásos megadási mód pl. légnemü közegek esetén a (m3/kWh) megadás is.
Ebböl a fajlagos fogyasztásból természetesen a gép hatásfoka is könnyen kiszámolható. Az erögép esetén ugyanis a bevezetett összes teljesítményt az üzemanyagból felszabadítható összes hömennyiség jelenti. Ez pedig - ha tudjuk, hogy 1 kg üzemanyagból hány joule hö keletkezik (ismerjük az üzemanyag fütöértékét) - a következöképpen írható fel:
Pbe = F . Bt (J/h)
Itt tehát F (J/kg) a fütöérték.
A hatásfok definíciószerüen
![]()
ahová most már behelyettesíthetünk, persze gondosan ügyelve arra, hogy a hasznos teljesítményt
(kW)
.
mértékegységben; a befektetett teljesítményt pedig meglehetösen furcsán (J/H) mértékegységben kaptuk, azaz szükséges a két mértékegység közül valamelyiknek az átalakítása.
![]()
Itt a C = 3,6 . 106 J/kWh, ha F (J / kg) és bt (kg /h ) mértékegységben adott. Természetesen C értéke attól függöen, hogy F ill. bt milyen mértékegységben adott, más és más lehet.
Vizsgáljuk meg röviden az F . bt szorzatot. Ez a szorzat mértékegységére nézve (J / kWh); szavakban kifejezve: 1 kWh munka szolgáltatásához elfogyasztott hömennyiség. Ez tehát egy újabb jellemzöje lehet az erögép üzemének, melyet a fajlagos fogyasztás mintájára fajlagos höfogyasztásnak nevezhetünk.
w = F . bt (J/kWh)
Ezzel a jelöléssel tehát az erögép hatásfoka a következö módon fejezhetö ki
![]()
Amennyiben egy erögép esetén néhány terhelési pontban (teljes-, háromnegyed- és fél-terhelés) ismert a gép üzemanyag-fogyasztása, úgy a Bt = f(Ph) görbe egyszerüen megszerkeszthetö, ez ugyanis legalábbis jó közelítéssel lineáris (1.39 ábra). Ebböl a görbéböl a fentebb elmondottak szerint minden nehézség nélkül meghatározható a fajlagos üzemanyag-fogyasztás (bt) és a fajlagos höfogyasztás (w) változása a hasznos teljesítmény függvényében. Ezen utóbbi görbe reciprokának konstans-szorosa a hatásfok változását mutató görbét eredményezi.
Ha az elmondottakat összevetjük az elözö fejezetben a mechanikai elven müködö gépekröl és höerögépekröl mondottakkal, megállapíthatjuk, hogy az 1.39. ábrán felrajzolt - hasznos teljesítmény függvényében a fogyasztás mutató - görbe (Bt) csak léptékben tér el az 1.37. ábrán felrajzolt Pö = f(Ph) görbétöl (hiszen az elfogyasztott üzemanyag képviseli az összes teljesítményt!)
|
1.39.ábra |
Megfigyelhetjük, hogy az 1.39.ábrán a fajlagos höfogyasztás görbéjének segítségével meghatározott hatásfokgörbe jellegre azonosan fut az 1.37. ábra h = f(Ph) görbéjével.
Megállapíthatjuk ezek után, hogy jelen vizsgálatunk eredménye az 1.2.10. fejezetben a mechanikai elven müködö gépekröl és a höerögépekröl általánosságban mondottakkal megegyezik.
Eddigi vizsgálataink során a gép minöségének egyetlen fokméröje a hatásfok volt. Minél jobb a gép, ill. üzem hatásfoka, annál kisebb üzemanyag-fogyasztás árán tudja munkáját elvégezni. Ez egyúttal azt is jelenti, hogy ugyanolyan feladat elvégzéséhez kevesebb élö, ill. holt munka felhasználása szükséges. Így a gép (üzem) hatásfoka - ha eltekintenénk az elöállítására fordított munkától - megegyezne gazdaságosságával. Természetes, hogy a gép elöállítására fordított munkától eltekinteni nem lehet, ezért a gazdaságosság a hatásfoknál összetettebb közgazdasági fogalom. Gazdaságosságon a közgazdasági irodalomban az eredményeknek és a ráfordításoknak a viszonyát értik.
A gazdaságosság számszerü értékelésénél tehát a ráfordítás különbözö elemeit kell összehasonlítani és megállapítani, hogy a tervezett gép (üzem) ugyanazt a feladatot mekkora élö- ill. holtmunka-ráfordítással valósítja meg.
A gazdaságosság problémája egy új gép (üzem) beállításánál a következöképpen merül fel.
Minél jobb a gép (üzem) hatásfoka - un. müszaki gazdasági paraméterei -, feladatát annál kisebb üzemanyag-fogyasztással végzi el. A jó hatásfokú gép tehát üzemanyagot, ezáltal az üzemanyag-kitermelés munkáját takarítja meg. Ugyanakkor a korszerübb gép konstrukciója általában bonyolultabb, elöállítása több munkába kerül.
A gazdaságosság vizsgálatánál tehát a gyakorlatban a következö kérdésre kell választ kapnunk: a korszerü, és ezért jó hatásfokú gép alkalmazásából fakadó megtakarítások nagyobbak-e, mint azok a többletráfordítások, melyeket a korszerübb gép elöállítása igényel. Ha ez az egyenlötlenség fennáll, akkor az új, korszerübb gép beállítása gazdaságos, mert az összegezett társadalmi munkaráfordítások csökkentek.
A gazdaságosság értékelése céljából szükség van a ráfordítások különbözö elemeinek számbavételére. A ráfordítások két fö típusát különböztetjük meg:
a) egyszeri ráfordítások: ilyenek a gép (üzem) létesítésének vagy beszerzésének költségei, amit beruházási költségnek nevezünk. A beruházási költségek még az üzem megindulása elött jelentkeznek. Nagyságukat forintban mérjük.
b) folyamatos ráfordításoknak nevezzük mindazokat, amelyek a gép üzemeltetéséhez szükségesek. Ezek évröl-évre ismétlödnek és ezért nagyságukat Ft/év-ben mérhetjük
A folyamatos költségek elemei a következök:
Az anyagköltségek, melyeken az egy évi üzemhez szükséges összes anyag (nyersanyag, félkész áru, segédanyag stb.) és energia (villamos energia, tüzelöanyagok, stb.) költségeket értjük. Ezek beszerzési forrásaikat tekintve belföldi vagy import anyagköltségként jelentkeznek. A munkabérköltségen a gép üzemeltetéséhez szükséges összes dolgozók (munkások, müszakiak, adminisztratívok) munkabérét értjük. Az értékcsökkenési leírás azt fejezi ki, hogy a gép munka közben elhasználódik.
Mint látjuk, müszaki jóság mellett számos immár gazdasági tényezö is befolyással bír a gép megítélésére. Az itt felsoroltakon kívül még további tényezök figyelembevétele is szükséges lehet, ami mindenesetre arra figyelmeztet minden mérnököt, hogy a gép tervezése, beszerzése esetén igen körültekintöen kell eljárni. A gazdaságosság kérdésének részletes tárgyalása a makró- ill. a mikróökonómia témakörébe tartozik. Ez a hely sem nem alkalmas, sem nem elégséges többre, mint a probléma összetettségének megvilágítására.
Találat: 6894